Pioneer AVH-P6400R User Manual
Page 5

4
ENGLISH
ESPA
Ñ
OL
DEUTSCH
FRAN
Ç
AIS
ITALIANO
NEDERLANDS
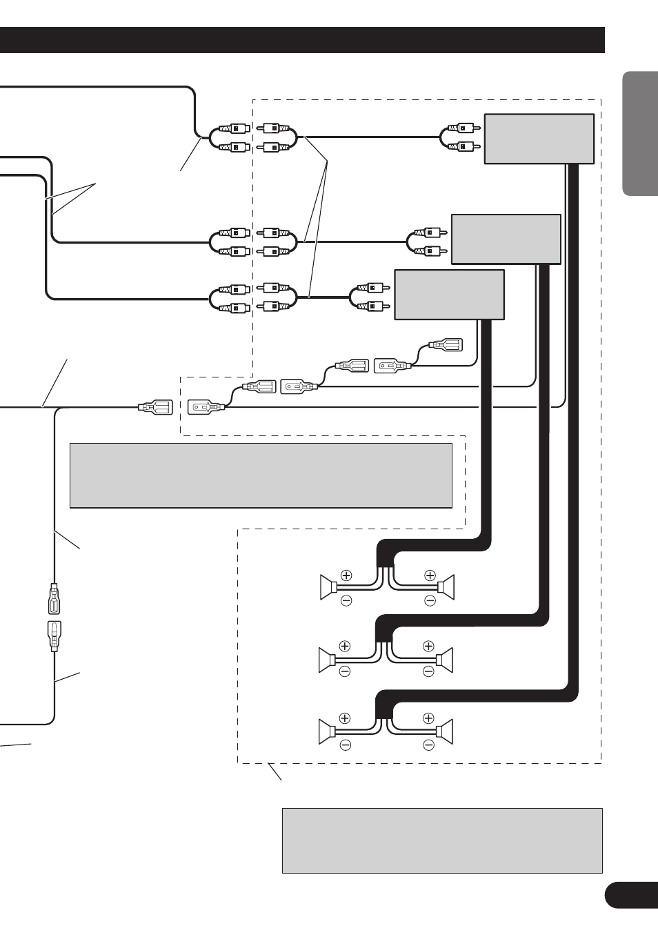
Subwoofer output or
non-fading output
(SUBWOOFER OUTPUT or
NON-FADING OUTPUT)
15 cm
Rear output
(REAR OUTPUT)
23 cm
Front output
(FRONT OUTPUT)
Connecting cords
with RCA pin plugs
(sold separately)
Power amp
(sold separately)
Power amp
(sold separately)
Power amp
(sold separately)
Blue/white
To system control terminal of the
power amp (max. 300 mA 12 V DC).
System remote control
The pin position of the ISO connector will differ depends on the type of
vehicle. Connect 6* and 7* when Pin 5 is an antenna control type. In
another type of vehicle, never connect 6* and 7*.
Use this for connections when you have the separately
available amplifier.
Subwoofer
Subwoofer
Rear speaker
Rear speaker
Left
Right
Front speaker
Front speaker
Blue/white (6*)
Blue/white (7*)
To Auto-antenna relay
control terminal
(max. 300 mA 12 V DC).
Note:
Change the Initial Setting of this Product (refer to the
Operation Manual). The subwoofer output of this unit is
monaural.
Speaker leads
White
: Front left +
White/black
: Front left ≠
Gray
: Front right +
Gray/black
: Front right ≠
Green
: Rear left + or Subwoofer +
Green/black
: Rear left ≠ or Subwoofer ≠
Violet
: Rear right + or Subwoofer +
Violet/black
: Rear right ≠ or Subwoofer ≠
Fig. 2