Pioneer AVH-P6400R User Manual
Page 17

4
ENGLISH
ESPA
Ñ
OL
ESPA
Ñ
OL
FRAN
Ç
AIS
ITALIANO
NEDERLANDS
15 cm
23 cm
Fig. 2
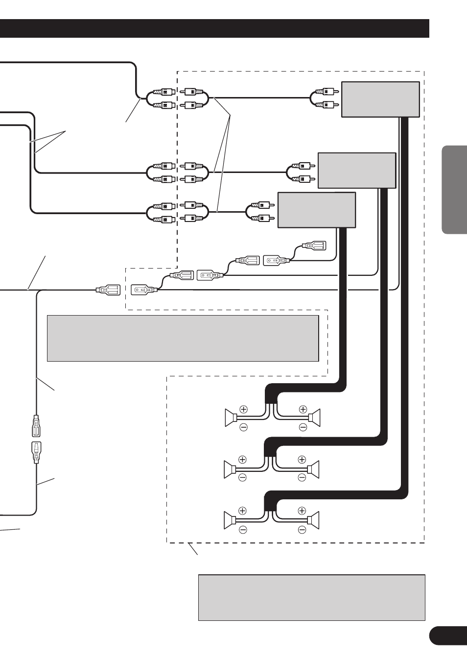
Salida delantera
(FRONT OUTPUT)
Salida trasera
(REAR OUTPUT)
Salida de altavoz de graves
secundario o salida sin atenuación
(SUBWOOFER OUTPUT or
NON-FADING OUTPUT)
Azul/blanco
Al terminal de control de sistema
del amp. de potencia (máx. 300 mA
de 12 V CC).
Control remoto de sistema
Amplificador de
potencia (vendido
separadamente)
Amplificador de
potencia (vendido
separadamente)
Amplificador de
potencia (vendido
separadamente)
La posición de los pinos del conector ISO difiere de acuerdo al tipo
de vehículo. Conecte 6* y 7* cuando el pino 5 es un tipo de control
de antena. En otros tipos de vehículo, nunca conecte 6* y 7*.
Azul/blanco (6*)
Azul/blanco (7*)
Al terminal de control de
relé de antena automática
(máx. 300 mA 12 V de CC).
Lleve a cabo las conexiones cuando utilice
un amplificador diferente.
Nota:
Cambie el ajuste inicial de este producto (refiérase al
manual de operación). La salida de altavoz de graves
secundario de esta unidad es monofónica.
Cables de altavoz
Blanco
: Izquierdo delantero +
Blanco/negro : Izquierdo delantero ≠
Gris
: Derecho delantero +
Gris/negro
: Derecho delantero ≠
Verde
: Izquierdo trasero + o
Altavoz secundario +
Verde/negro : Izquierdo trasero ≠ o
Altavoz secundario ≠
Violeta
: Derecho trasero + o
Altavoz secundario +
Violeta/negro : Derecho trasero ≠ o
Altavoz secundario ≠
Altavoz
delantero
Altavoz
secundario
Izquierda
Derecha
Altavoz
secundario
Altavoz
delantero
Altavoz
trasero
Altavoz
trasero
Cables de conexión con
clavijás RCA (en venta
por separado).