Pioneer AVH-P6400R User Manual
Page 65

4
ENGLISH
ESPA
Ñ
OL
DEUTSCH
FRAN
Ç
AIS
ITALIANO
NEDERLANDS
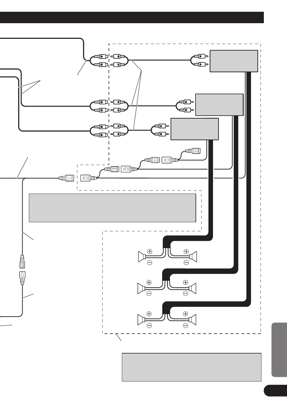
15 cm
23 cm
Afb. 2
Subwoofer uitgang of
Non-fading uitgang
(SUBWOOFER OUTPUT
or NON-FADING OUTPUT)
Vooruitgang
(FRONT OUTPUT)
Achteruitgang
(REAR OUTPUT)
De penposities van de ISO stekker kan verschillen afhankelijk van het
soort voortuig. Sluit 6* en 7* aan wanneer Pen 5 van het antenne-
bedieningstype is. In andersoortige voortuigen mag u 6* en 7* nooit
aansluiten.
Blauw/wit (6*)
Blauw/wit
Naar systeembedieningsaansluiting
van eindversterker (max. 300 mA
12 Volt gelijkstroom).
Systeem-afstandsbediening
Blauw/wit (7*)
Naar auto-antenne
relaisbedieningsaansluiting
(max. 300 mA 12 Volt
gelijkstroom).
Aansluitsnoeren met
RCA stekkers (los
verkrijgbaar)
Eindversterker
(los verkrijgbaar)
Eindversterker
(los verkrijgbaar)
Eindversterker
(los verkrijgbaar)
Luidsprekerdraden
Wit
: Linksvoor +
Wit/zwart
: Linksvoor ≠
Grijs
: Rechtsvoor +
Grijs/zwart : Rechtsvoor ≠
Groen
: Linksachter + of Subwoofer +
Groen/zwart : Linksachter ≠ of Subwoofer ≠
Paars
: Rechtsachter + of Subwoofer +
Paars/zwart : Rechtsachter ≠ of Subwoofer ≠
Voorluid-
spreker
Subwoofer
Links
Voorluid-
spreker
Achterluid-
spreker
Achterluid-
spreker
Subwoofer
Rechts
Maak deze verbindingen indien u een
los verkrijgbare versterker gebruikt.
Opmerking:
Verander de basisinstelling van dit product (zie bladzijde
de Gebruiksaanwijzing). De subwoofer weergave van dit
product is in mono.