Connecting the power cord (1), Connecting the units – Pioneer AVH-P6400R User Manual
Page 4

3
Connecting the Units
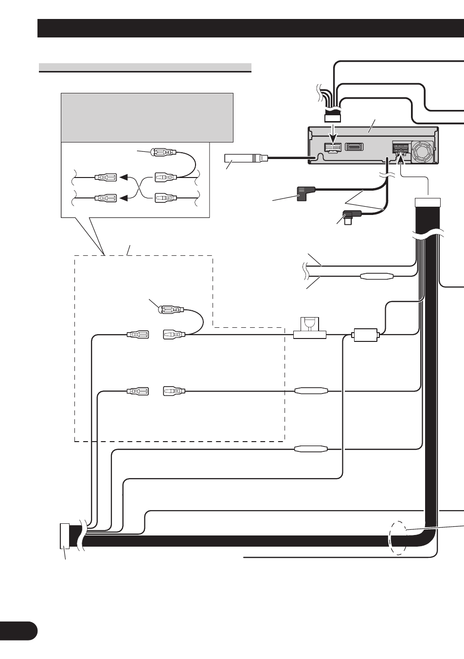
Connecting the power cord (1)
Note:
Depending on the kind of vehicle, the function
of 3* and 5* may be different. In this case, be
sure to connect 2* to 5* and 4* to 3*.
1*
2*
4*
3*
5*
This product
Antenna jack
11 cm
IP-BUS input
(Blue)
Refer to page 8.
Connect leads of the same color to
each other.
Cap (1*)
When not using this terminal, do
not remove the cap.
AV-BUS input
Lightgreen
Violet/white
Refer to page 5.
Fuse resistor
40 cm
Yellow/black
If you use a cellular telephone, connect it via the
Audio Mute lead on the cellular telephone. If not,
keep the Audio Mute lead free of any connections.
Red(4*)
To electric terminal controlled by
ignition switch (12 V DC)
ON/OFF.
Fuse resistor
Orange/white
To lighting switch terminal.
Black(ground)
To vehicle (metal) body.
Yellow (3*)
Back-up
(or accessory)
Fuse resistor
Yellow(2*)
To terminal always supplied with
power regardless of ignition
switch position.
Red (5*)
Accessory
(or back-up)
Fuse holder
ISO connector
Note:
In some vehicles, the ISO connector
may be divided into two. In this case,
be sure to connect to both connectors.