Branchement du cordon d’alimentation (1), Raccordements des appareils – Pioneer AVH-P6400R User Manual
Page 40

3
Raccordements des appareils
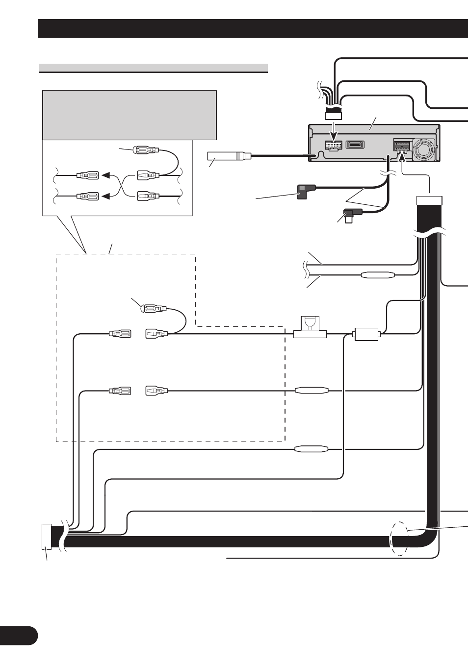
Branchement du cordon d’alimentation (1)
1*
2*
4*
3*
5*
11 cm
40 cm
Cet appareil
Remarque:
Selon le véhicule, le rôle de 3* et 5* peut être
différent. En ce cas, veillez à relier 2* à 5* et
4* à 3*.
Jack
d’antenne
Entrée IP-BUS
(Bleu)
Reliez ensemble les conducteurs
de même couleur.
Capuchon (1*)
Si vous n’utilisez pas ce
connecteur, ne retirez pas
le capuchon.
Jaune (3*)
Secours
(ou accessoire)
Jaune (2*)
Vers une borne alimentée en
permanence indépendamment
de la clé de contact.
Rouge (5*)
Accessoire
(ou secours)
Rouge (4*)
Vers une borne dont l’alimenta-
tion est commandée par la clé de
contact (12 V CC).
Noir (masse)
Fil de masse vers un élément en métal apparent de la voiture.
Jaune/noir
Si vous utilisez un téléphone cellulaire, connectez-le
via le câble mise en sourdine audio sur la téléphone
cellulaire. Sinon, laisser le câble de mise en sourdine
audio sans aucune connexion.
Orange/blanc
Vers la borne du contacteur d’éclairage.
Connecteur ISO
Remarque:
Sur certains véhicules, le connecteur ISO
peut comporter deux parties. En ce cas,
veillez à relier ces deux parties.
Reportez-vous à la
page 8.
Reportez-vous à la
page 5.
Entrée AV-BUS
Vert clair
Violet/blanc
Résistance
fusible
Résistance
fusible
Résistance
fusible
Porte-
fusible