De elektriciteitskabel aansluiten, 01 de toestellen aansluiten – Pioneer AVH-8400BT User Manual
Page 74

Black plate (74,1)
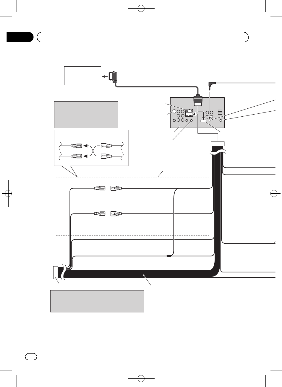
De elektriciteitskabel aansluiten
Luidsprekerdraden
Wit: Links
voor
Wit/zwart: Links
voor
Grijs: Rechts
voor
Grijs/zwart: Rechts
voor
Groen: Links
achter
of subwoofer
Groen/zwarte: Links
achter
of subwoofer
Paars: Rechts
achter
of subwoofer
Paars/zwarte: Rechts
achter
of subwoofer
Opmerking:
In sommige voertuigen kan de ISO stekker in twee
stukken gedeeld zijn. Sluit in een dergelijk geval beide
stekkers aan.
Opmerking:
Afhankelijk van het soort voertuig
is het mogelijk dat de functies van
2* en 4* verschillen. Let er in een
dergelijk geval op dat u 1* op 4*
en 3* op 2* aansluit.
1*
3*
2*
4*
Geel (2*)
Back-up
(of accessoire)
Geel (1*)
Verbinden met de continue 12 V
stroomaansluiting.
Sluit in het algemeen draden van
dezelfde kleur op elkaar aan.
Rood (4*)
Accessoire
(of back-up)
Rood (3*)
Verbinden met een elektrische
aansluiting die aangestuurd wordt via
het contactslot (12 V gelijkstroom).
Zwart (chassis aarde)
Aansluiten op een schone, blank metalen plek.
Dit product
Antenne-ingang
Oranje/wit
Verbinden met de aansluiting van de
verlichtingsschakelaar.
4 m
Zekering (10 A)
RGB ingang
Navigatiesysteem
(AVIC-F220 (los
verkrijgbaar)).
Neem contact op met uw dealer
voor informatie over geschikte
navigatiesystemen.
Breng de 26-pens kabel in op de
manier en in de richting zoals
aangegeven op de afbeelding.
26-pens kabel (meegeleverd met het
navigatiesysteem)
AUX aansluiting (3,5 ø)
Gebruik een kabel met een ministekker voor de
verbinding met externe apparatuur.
ISO stekker
Nl
74
Hoofdstuk
01
De toestellen aansluiten