Conexión del cable de alimentación, 01 conexión de las unidades – Pioneer AVH-8400BT User Manual
Page 46

Black plate (46,1)
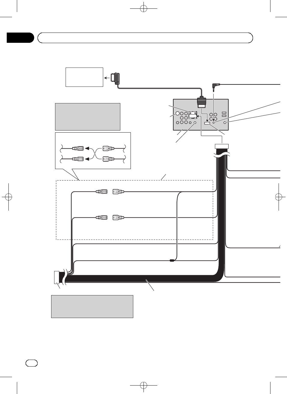
Conexión del cable de alimentación
Hilos de altavoz
Blanco: Izquierda
delantera
Blanco/negro: Izquierda
delantera
Gris: Derecha
delantera
Gris/negro: Derecha
delantera
Verde: Izquierda
trasera
o altavoz de subgraves
Verde/negro: Izquierda
trasera
o altavoz de subgraves
Violeta: Derecha
trasera
o altavoz de subgraves
Violeta/negro: Derecha
trasera
o altavoz de subgraves
Nota:
En algunos vehículos, puede que el conector
ISO esté dividido en dos. En este caso,
asegúrese de conectar a ambos conectores.
Nota:
Dependiendo del tipo de vehículo,
la función de 2* y 4* puede ser
diferente. En este caso, asegúrese
de conectar 1* a 4* y 3* a 2*.
1*
3*
2*
4*
Amarillo (2*)
Reserva
(o accesorio)
Amarillo (1*)
Conecte el terminal de suministro
de 12 V constante.
Conecte los hilos del mismo
color a cada otro.
Rojo (4*)
Accesorio
(o reserva)
Rojo (3*)
Conecte al terminal controlado por del
interruptor de encendido (12 V cc).
Negro (masa de la carrocería)
Conecte a un punto de metal limpio, libre de pintura.
Este producto
Anaranjado/blanco
Conecte al terminal de interruptor de iluminación.
4 m
Fusible (10 A)
Jack AUX (3,5 ø)
Utilice un cable con enchufe miniatura para conectar a
un dispositivo auxiliar.
Entrada RGB
Unidad de navegación
(AVIC-F220 (vendida
separadamente)).
Póngase en contacto con su revendedor
para cuestiones sobre la unidad de
navegación que puede conectarse.
Inserte el cable de 26 clavijas en la
dirección indicada en la figura.
Cable de 26 clavijas (Suministrado con la
unidad de navegación)
Entrada para antena
Conector ISO
Es
46
Sección
01
Conexión de las unidades