Anschluss des stromkabels, 01 anschließen der geräte – Pioneer AVH-8400BT User Manual
Page 60

Black plate (60,1)
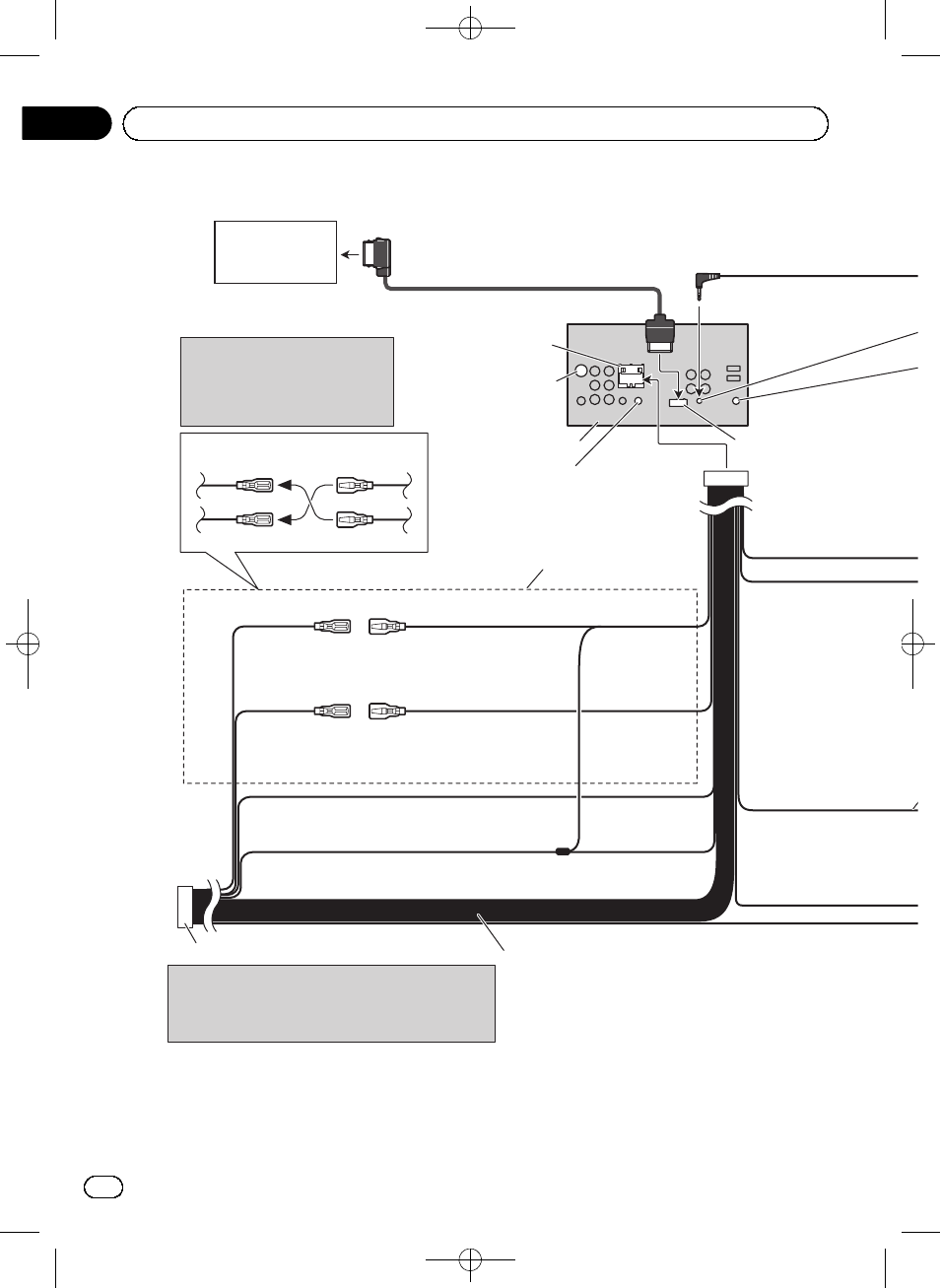
Anschluss des Stromkabels
Lautsprecherzuleitungen
Weiß: Vorne
links
Weiß/Schwarz: Vorne links
Grau: Vorne
rechts
Grau/Schwarz: Vorne rechts
Grün: Hinten
links
oder Subwoofer
Grün/Schwarz: Hinten links
oder Subwoofer
Violett: Hinten
rechts
oder Subwoofer
Violett/Schwarz: Hinten rechts
oder Subwoofer
Hinweis:
Bei einigen Fahrzeugen kann der ISO-Steckverbinder in
zwei Hälften geteilt sein. In diesem Fall ist der Anschluss
unbedingt an beiden Steckverbindern vorzunehmen.
Hinweis:
Je nach Art des Fahrzeugs besitzen
2* und 4* u. U. unterschiedliche
Funktionen. Verbinden Sie in einem
solchen Fall 1* mit 4* und 3* mit 2*.
1*
3*
2*
4*
Gelb (2*)
Reserve
(oder Zubehör)
Gelb (1*)
An eine Stromversorgung
anschließen, die immer
Gleichstrom von 12 V führt.
Verbinden Sie Leitungen
derselben Farbe miteinander.
Rot (4*)
Zubehör
(oder Reserve)
Rot (3*)
An eine Stromversorgung anschließen,
(12 V Gleichspannung), die mit dem
Zündschloss ein-/ausgeschaltet wird.
Schwarz (Erdung)
An ein sauberes Metallteil anschließen, das von Farbe frei ist.
Antenneneingang
Orangefarben/weiß
An die Lichtschalterklemme anschließen.
4 m
Sicherung (10 A)
AUX-Buchse (3,5 ø)
Verwenden Sie ein Ministeckerkabel für den
Anschluss eines externen Geräts.
RGB-Eingang
Navigationsgerät
(AVIC-F220 (getrennt
erhaltlich)).
Für weitere Informationen zu den
Navigationsgeräten, die angeschlossen
werden können, wenden Sie sich bitte an
Ihren Fachhändler.
Führen Sie das 26-Pin-Kabel in der
Richtung ein, die in der Abbildung
angezeigt wird.
26-Pin-Kabel (mit dem Navigationsgerät
mitgeliefert)
Dieses Produkt
ISO-Anschluss
De
60
Abschnitt
01
Anschließen der Geräte