01 connexion des appareils – Pioneer AVH-8400BT User Manual
Page 20

Black plate (20,1)
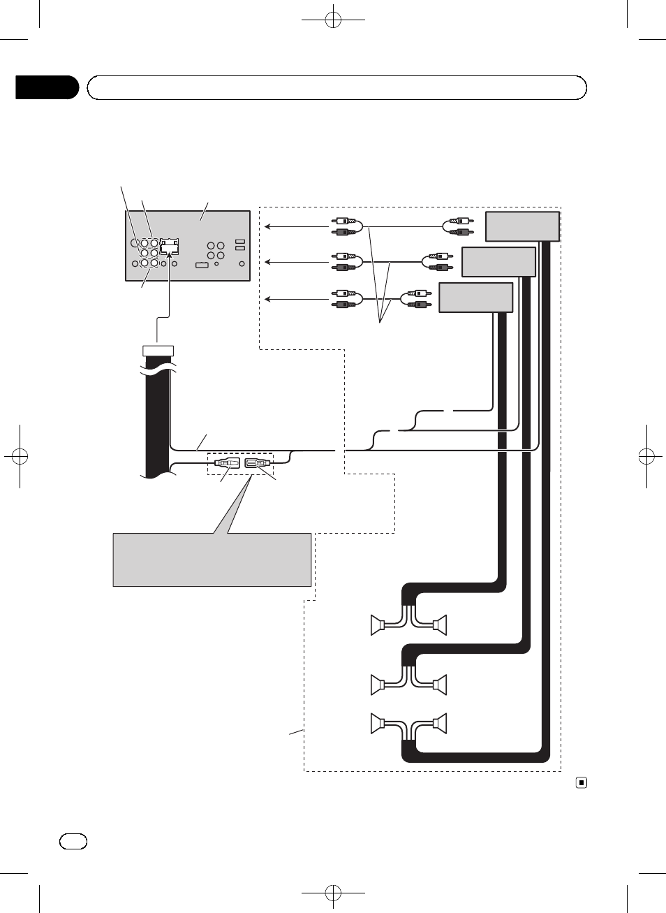
Lors de la connexion à un amplificateur de puissance
vendu séparément
Bleu/blanc
Connectez à la prise de commande
du système de l’amplificateur de
puissance (max. 300 mA 12 V CC).
Bleu/blanc (6*)
Connectez à la prise du
contrôle de relais de
l’antenne automatique
(max. 300 mA, 12 V CC).
La position des broches du connecteur ISO est
différente selon le type de véhicule. Connectez 5*
et 6* lorsque la broche 5 est de type commande
de l’antenne. Dans un type différent de véhicule,
ne connectez jamais 5* et 6*.
Bleu/blanc (5*)
Connectez aux câbles cinch
(RCA) (vendus séparément)
Enceinte
avant
Enceinte
avant
Réalisez ces connexions lors de
l’utilisation de l’amplificateur en
option.
Télécommande du système
Enceinte
arrière
Enceinte
arrière
Gauche
Droit
Amplificateur de
puissance (vendu
séparément)
Amplificateur de
puissance (vendu
séparément)
Amplificateur de
puissance (vendu
séparément)
Caisson de
grave
Caisson de
grave
À la sortie avant
À la sortie arrière
À la sortie du
caisson de grave
Cet appareil
Sortie arrière
Sortie avant
Sortie du caisson
de grave
Fr
20
Section
01
Connexion des appareils