Directory
Brands
ADC manuals
Dryers
AD-464
Manual

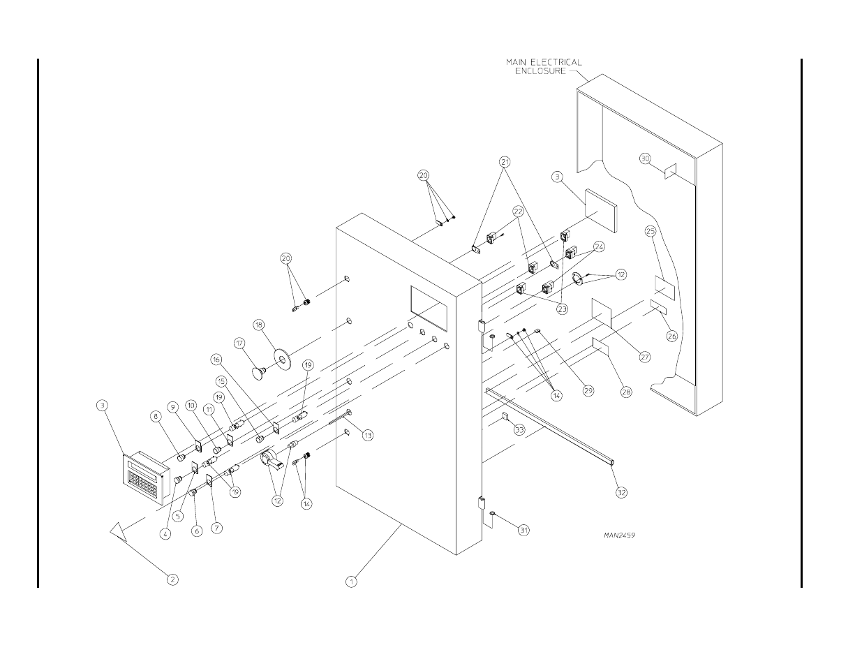
Control door assembly , 15 – ADC AD-464 User Manual

Page 16

  • Text mode
  • Original mode
background image

14

American

Dryer

Corporation

88 Cur

rant Road / Fall River

, MA 02720-4781

Contr

ol Door

Assembly

Pages: 1 … 14 15 16 17 18 … 118
  • wrong Brand
  • wrong Model
  • non readable
See also other documents in the category ADC Dryers:
  • ADG-758 (44 pages)
  • UD-50 (61 pages)
  • AD-15 (69 pages)
  • AD-115ES (50 pages)
  • AD-30V (58 pages)
  • AD-200 (106 pages)
  • ML-96 (34 pages)
  • ML-122 (26 pages)
  • Gas Electric Steam AD-26 (66 pages)
  • AD-410 (118 pages)
  • AD-310 (108 pages)
  • AD-78 (75 pages)
  • AD-24 (24 pages)
  • SL20 Gen II (36 pages)
  • ML-175 (28 pages)
  • AD-170SE (58 pages)
  • AD-360X2 (38 pages)
  • AD-758DV (44 pages)
  • ML-78 (38 pages)
  • ML-75 (46 pages)
  • Phase 5 Microprocessor AD-170 (34 pages)
  • AD-81 (30 pages)
Home Brands Popular manuals Recently added
Manuals Directory

© 2012–2025, azmanual.top
All rights reserved.