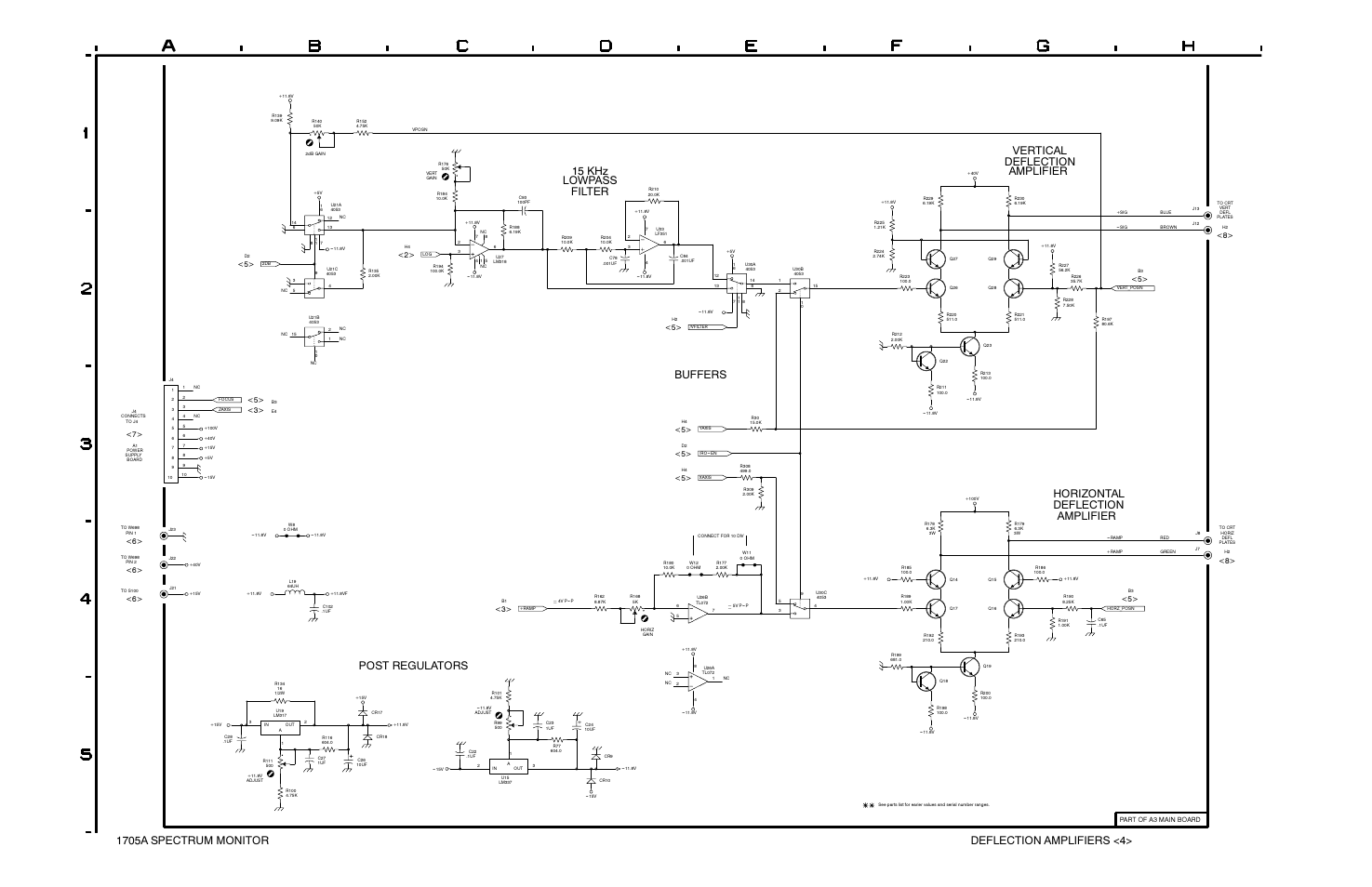
Deflection amplifiers <4, Filter lowpass 15 khz, Amplifier deflection vertical – Tektronix 1705A User Manual

Page 204: Buffers, Horizontal deflection amplifier, Post regulators

Deflection amplifiers <4, Filter lowpass 15 khz, Amplifier deflection vertical | Buffers, Horizontal deflection amplifier, Post regulators | Tektronix 1705A User Manual | Page 204 / 223 Deflection amplifiers <4, Filter lowpass 15 khz, Amplifier deflection vertical | Buffers, Horizontal deflection amplifier, Post regulators | Tektronix 1705A User Manual | Page 204 / 223