Search
Directory
Brands
Tektronix manuals
Car Video
1705A
Manual
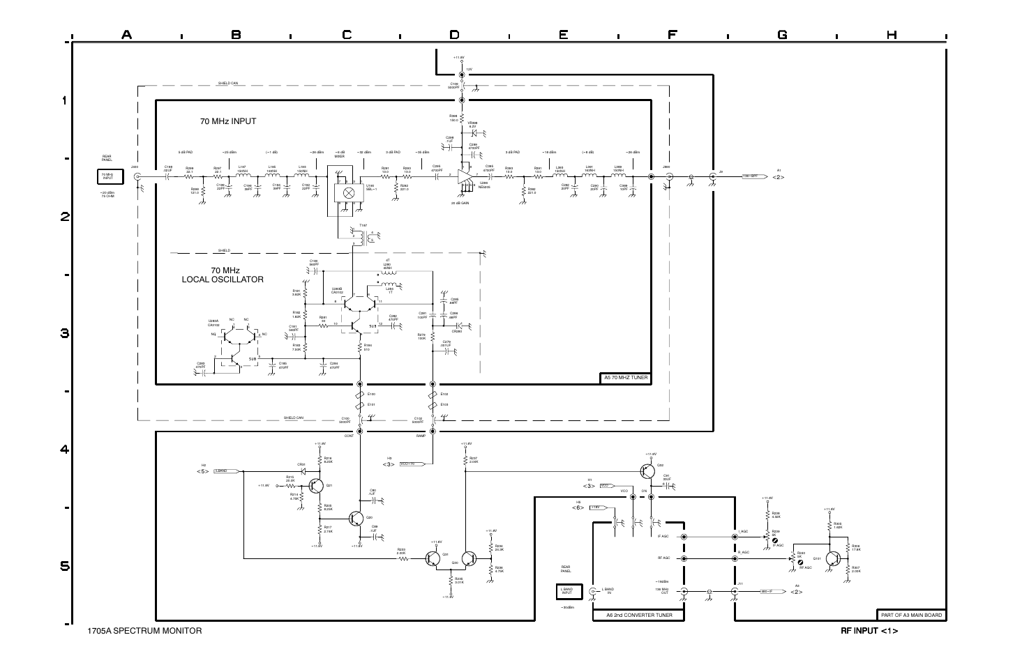
Rf input <1, 70 mhz input, Local oscillator 70 mhz – Tektronix 1705A User Manual
Page 198: 1705a spectrum monitor
Text mode
Original mode
Rf input <1, 70 mhz input, Local oscillator 70 mhz | 1705a spectrum monitor | Tektronix 1705A User Manual | Page 198 / 223
Pages:
1
…
196
197
198
199
200
…
223
wrong Brand
wrong Model
non readable