
1 2 3 4 5 6
7 8 9
NC
NO
C
1 2 3 4 5 6
7 8 9
NC
NO
C
23
12-SETTINGS MENU
Technical Dept. - All rights reserved - Reproduction is prohibited
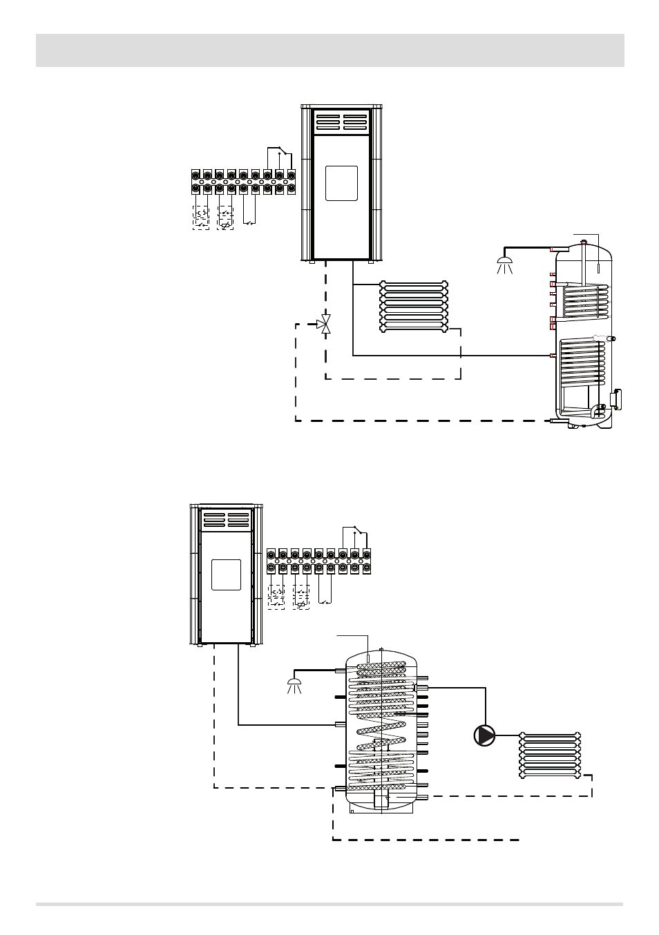
BOILER CONFIGURATION
POS.1-2 = BOILER PROBE/
THERMOSTAT
HYDRO STOVE WITH PUFFER CONFIGURATION
POS.1-2 = PUFFER PROBE/
THERMOSTAT