Installation & wiring, Entering air humidity sensor wiring – Orion System SA Controller User Manual
Page 24

Zone
Zone
Installation & Wiring
SA Controller Technical Guide
24
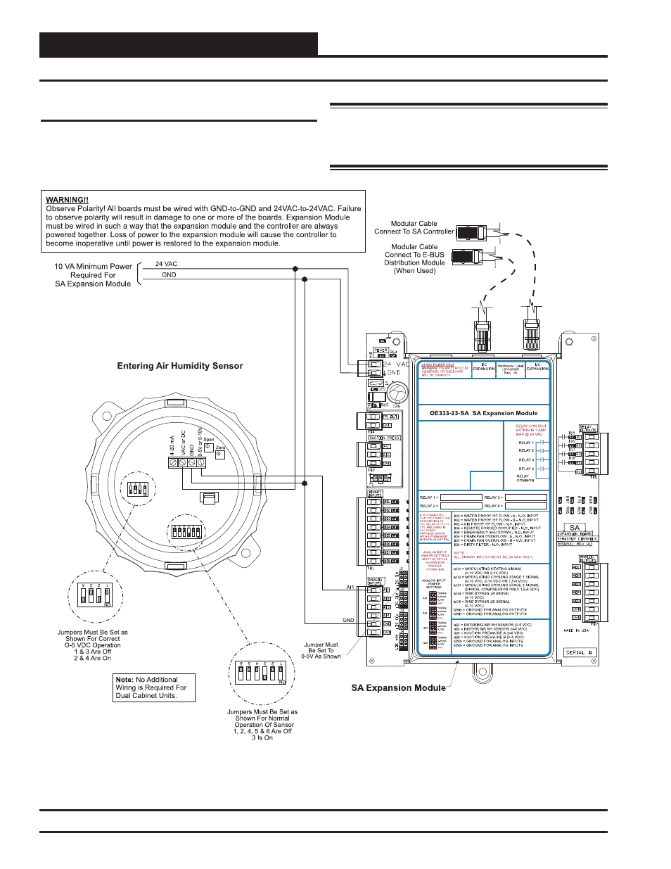
Entering Air Humidity Sensor
The OE265-14 Entering Air Humidity Sensor is connected to the system
by wiring it to the AI1 input on the SA Expansion Module. It must be
wired as shown in Figure 20 below for proper controller operation.
Entering Air Humidity Sensor Wiring
Warning: It is very important to be certain that all wiring is
correct as shown in the wiring diagram below. Failure to observe the
correct polarity will result in damage to the Entering Air Humidity
Sensor or SA Expansion Module.
Figure 20: OE265-14 – Entering Air Humidity Sensor Wiring
See also other documents in the category Orion System Hardware:
- VCM-X (88 pages)
- VCC-X Controller (120 pages)
- MUA II Controller v.2 (96 pages)
- VCM-X/RNE Controller Operator Interface SD (92 pages)
- MUA II Controller v.2 (80 pages)
- RNE Modular Controller (88 pages)
- SA E-BUS Controller (74 pages)
- OE365-15-EBA (8 pages)
- E-BUS Distribution (12 pages)
- GBD-X Controller (12 pages)
- PT-Link II N2 (72 pages)
- PT-Link II BACnet (60 pages)
- GPC-XP Controller (60 pages)
- Lag Controller (56 pages)
- OE361-13 CommLink 5 (10 pages)
- PT-Link II LON (60 pages)
- Non-Modular VAV/Zone Controller (36 pages)
- OE338-23-XX (6 pages)
- MUA II D Controller (24 pages)
- OE742-XX-VAVZ (40 pages)
- SA Controller (68 pages)
- VCM Operator Interfaces (52 pages)
- PT-Link-LON (40 pages)
- VCM-X E-BUS Component (128 pages)
- VAV/Zone Controller (28 pages)
- VCM Controller (60 pages)
- VCM Component (96 pages)
- MHGRV-X (26 pages)
- MODGAS-XWR (28 pages)
- MODGAS-X (28 pages)
- PREHEAT-X (28 pages)
- Full Digital Module (16 pages)
- One Condenser Head Pressure Module (24 pages)
- Two Condenser Head Pressure II Module (16 pages)
- Dual Electronic Expansion Valve Module (24 pages)
- Water Source Heat Pump X2 Module (32 pages)
- Dual Digital Module (16 pages)
- Two Condenser Head Pressure Module Tulsa (24 pages)
- VCM-X/RNE Operator Interfaces (84 pages)
- Water Source Heat Pump Module (20 pages)
- Water Source Heat Pump Module Tulsa (20 pages)
- MHGRV II (12 pages)
- MODGAS II (22 pages)
- MHGRV III (20 pages)