Directory
Brands
Southbend manuals
Kitchen
SL-Series
Manual

Roubleshooting – Southbend SL-Series User Manual

Page 41

  • Text mode
  • Original mode
background image

E

LECTRIC

C

ONVECTION

O

VENS

OPERATOR’S MANUAL 1181958 REV 5 (4/14)

PAGE

41

OF47

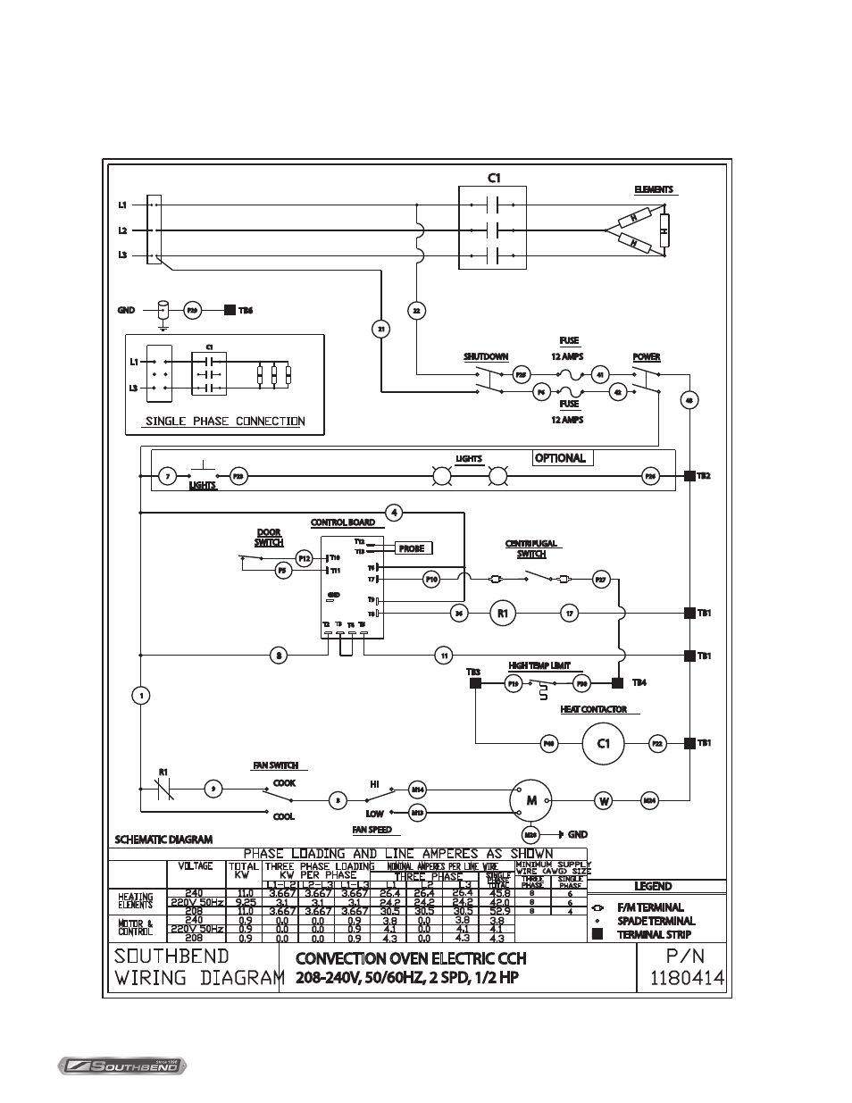
Wiring Diagram for 208-240 Volt Models with Cycle/Cook & Hold Controls

T

ROUBLESHOOTING

Pages: 1 … 39 40 41 42 43 … 47
  • wrong Brand
  • wrong Model
  • non readable
This manual is related to the following products:
  • G-Series
See also other documents in the category Southbend Kitchen:
  • KDLS-30 (2 pages)
  • KSLG-20 (2 pages)
  • KELT-60 (2 pages)
  • DMS-20 (2 pages)
  • KECT-12 (2 pages)
  • KELS-100 (2 pages)
  • KTLG-20 (2 pages)
  • P32N-PPP (54 pages)
  • Infrared/Radiant Broilers (21 pages)
  • Steakhouse Broilers (22 pages)
  • Cheese Melters (22 pages)
  • S Series Restaurant Ranges (31 pages)
  • SE36 (88 pages)
  • 170 (46 pages)
  • 234R (40 pages)
  • HDG-36M (28 pages)
  • EZ18 (25 pages)
  • EZ24-3 (27 pages)
  • R18-4 (25 pages)
  • R18A-4 (27 pages)
  • R24-3 (24 pages)
  • RG24-5 (21 pages)
  • SB14 (30 pages)
  • SBF14 (8 pages)
  • NOD14: Floor Model Gas Pasta Cooker (28 pages)
  • 20036RSB (24 pages)
  • 20036SB (28 pages)
  • G-Series (44 pages)
  • G-Series (44 pages)
  • EH-10CCH (72 pages)
  • TVES-10SC (37 pages)
Home Brands Popular manuals Recently added
Manuals Directory

© 2012–2025, azmanual.top
All rights reserved.