Directory
Brands
Craftsman manuals
Equipment
196.205690
Manual

Craftsman 196.205690 User Manual

Page 56

Attention! The text in this document has been recognized automatically. To view the original document, you can use the "Original mode".

  • Text mode
  • Original mode
background image

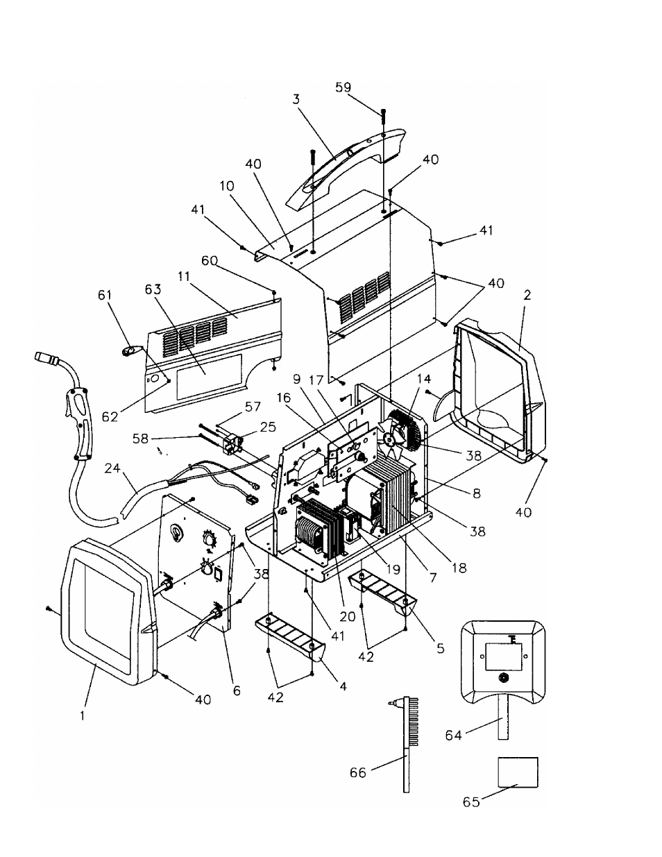
LISTA DE PARTES PARA SOLDADORA CON ALIMENTADOR

DE ALAMBRE MODELO 196.20569

56

Pages: 1 … 54 55 56 57 58 … 60
  • wrong Brand
  • wrong Model
  • non readable
See also other documents in the category Craftsman Equipment:
  • 1/2 HP GARAGE DOOR OPENER 139.53978SRT (40 pages)
  • 1/2HP Garage Door Opener 139.53515SR (24 pages)
  • 119.214000 (20 pages)
  • 137.218250 (36 pages)
  • 137.248840 (30 pages)
  • 137.248850 (30 pages)
  • 139.53910 (76 pages)
  • Model 15201 (2 pages)
  • 247.346250 (28 pages)
  • 315.220380 (82 pages)
  • 315.269210 (22 pages)
  • 315.275000 (20 pages)
  • 315.279840 (16 pages)
  • 320.28190 (44 pages)
  • 139.535006 (28 pages)
  • 137.224320 (25 pages)
  • 917.24985 (12 pages)
  • 580.752000 (40 pages)
  • 646.10620 (8 pages)
  • 1/2 HP GARAGE DOOR OPENER MODEL 139.5364812 (40 pages)
Home Brands Popular manuals Recently added
Manuals Directory

© 2012–2025, azmanual.top
All rights reserved.