A-star 32u4 micro schematic and dimensions, Schematic diagram – Pololu A-Star 32U4 User Manual
Page 7

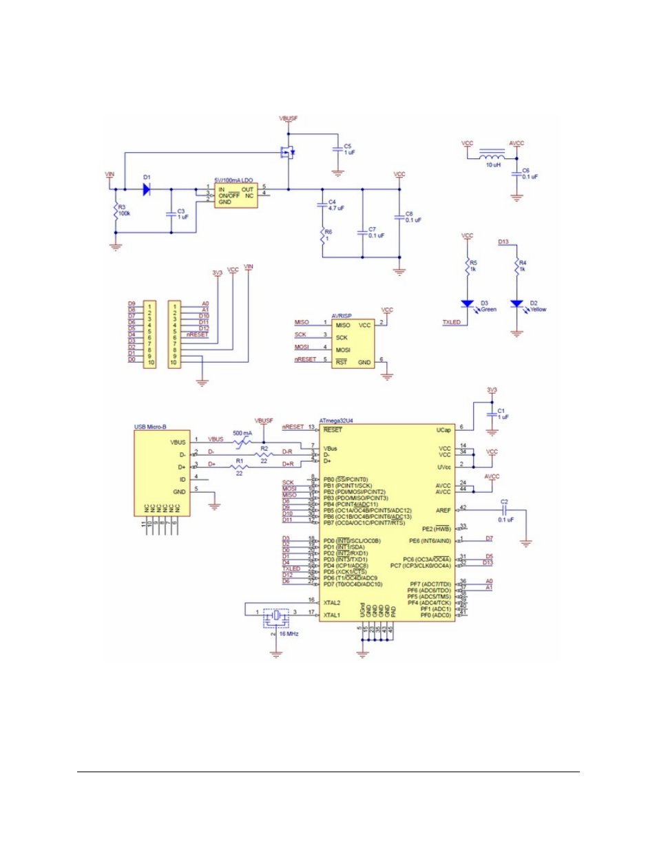
3.2. A-Star 32U4 Micro schematic and dimensions
Schematic diagram
Pololu A-Star 32U4 Micro schematic diagram.
This schematic is also available as a PDF:
(253k pdf).
Pololu A-Star 32U4 User’s Guide
© 2001–2014 Pololu Corporation
3. A-Star 32U4 Micro
Page 7 of 30