Grain temperature sensor, Portable dryer troubleshooting, Competitor wiring reference – Grain Systems PNEG-630 User Manual
Page 102

Portable Dryer Troubleshooting
101
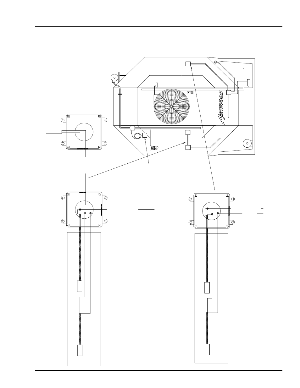
Grain Temperature Sensor
BLACK 20 GA.
WHITE/BLACK STRIP 20 GA.
REAR
FRONT
WHITE/BLACK STRIP J7-13
PLENUM TEMP SENSOR
INSIDE GRAIN COLUMN CONDUIT
TO LOWER JUNCTION BOX
BLACK 20 GA.
WHITE/BLACK STRIP 20 GA.
REAR
FRONT
INSIDE GRAIN COLUMN CONDUIT
TO UPPER CONTROL BOX
CONNECT TO SHIELD OF WIRE
CENTER WIRE
CENTER WIRE
CONNECT TO SHIELD OF WIRE
YELLOW J7-12
YELLOW J7-12
WHITE/BLACK STRIP J7-13
BLACK J7-14
WHITE/BLACK STRIP J7-13
BLACK J7-14
SCR
UNLOAD
MOTOR
1XX
LOAD MERCURY
SWITCH
FAN
SOLENOID
Competitor Wiring Reference
See also other documents in the category Grain Systems Conditioners:
- PNEG-1890 (16 pages)
- PNEG-595 (26 pages)
- PNEG-1472 (30 pages)
- PNEG-897 (58 pages)
- PNEG-838 (4 pages)
- PNEG-1755 (36 pages)
- PNEG-524 (24 pages)
- PNEG-1080 (2 pages)
- PNEG-728 (47 pages)
- PNEG-673 (57 pages)
- PNEG-1717 (88 pages)
- PNEG-823 (42 pages)
- PNEG-630-6S (23 pages)
- PNEG-1876 (80 pages)
- PNEG-102 (2 pages)
- PNEG-366 (51 pages)
- PNEG-1626 (1 page)
- PNEG-1874 (78 pages)
- PNEG-1798 (34 pages)
- PNEG-1927 (4 pages)
- PNEG-924 (2 pages)
- PNEG-582 (26 pages)
- PNEG-012 (46 pages)
- PNEG-1797 (86 pages)
- PNEG-546 (26 pages)
- PNEG-951 (102 pages)
- PNEG-1650 (92 pages)
- PNEG-1649 (50 pages)
- PNEG-1376 (88 pages)
- PNEG-361 (46 pages)
- PNEG-338 (32 pages)
- PNEG-1276 (78 pages)
- PNEG-1283 (22 pages)
- PNEG-1089 (14 pages)
- QSG-001 (2 pages)
- PNEG-950 (96 pages)
- PNEG-1590 (3 pages)
- PNEG-501 (33 pages)
- PNEG-1447 (68 pages)
- PNEG-707GSI (446 pages)
- PNEG-349 (32 pages)
- PNEG-236 (22 pages)
- PNEG-743 (16 pages)
- PNEG-900 (54 pages)
- PNEG-1935 (92 pages)
