3 configuring common settings, Configuring common settings, Figure 45. front panel menus for common settings – Nokia DNT2Mi sp/mp User Manual
Page 69

Using front panel menus
DN01145897
© Nokia Corporation
69 (128)
Issue 2-0 en
Nokia Proprietary and Confidential
8.2.3
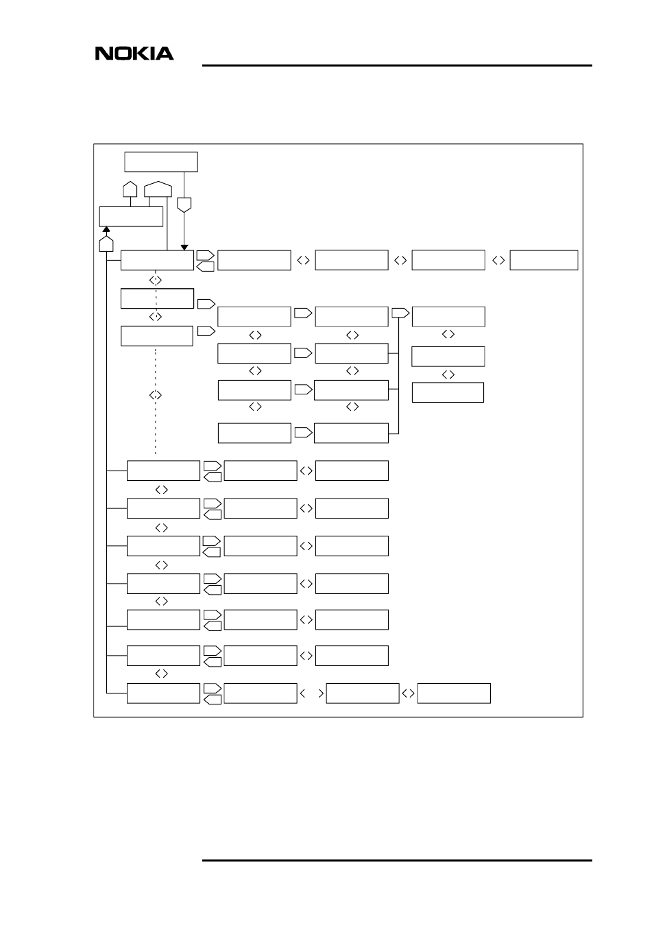
Configuring common settings
Figure 45.
Front panel menus for common settings
Timing source
Internal
Mng speed
4800 bits/s *
...
...
...
Time slots 0-15
. . . . . . . . . . . . . . . .
Time slots 16-31
Save? OK/Exit
Configure
Common
Timing source
Line *
Give 1st TS:
n=0
Give 1st TS:
n=2
Add time slot to
Port 3
Remove time slot
Give 1st TS:
n=31
Timing source
Line *
Timing source
Port 1
Give last TS:
n=0
Add time slot to
Port 1
Give 1st TS:
n=1
Give last TS:
n=1
Give last TS:
n=2
Give last TS:
n=31
Timing source
Transparent
EX
EX
OK
EX
Mng path Line
OFF *
Mng path Line
OFF *
Mng path Line
ON
Mng speed
4800 bits/s *
Mng speed
9600 bits/s
Mng addr
0002 *
Mng addr
0002 *
Mng addr
4094
1...4094
600, 1200, 2400, 4800, 9600
EX
Mng path LMI
ON *
Mng path LMI
ON *
Mng path LMI
OFF
Front panel keys
In use *
EX
Front panel keys
In use *
Front panel keys
Locked
Test time limit
00010 min *
EX
Test time limit
00010 min *
EX
LM if type
V.28 *
LM if type
V.28 *
LM if type
V.11 *
OK
EX
OK
OK
EX
EX
OK
OK
OK
OK
OK
OK
OK
OK
OK
OK
OK
OK
OK
Test time limit
64999 min
Test time limit
Unlimited
. . . . . . . . . . . . . . . .