Directory
Brands
Grizzly manuals
Vacuums
G0442
Manual

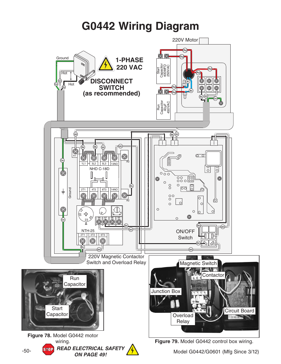
G0442 wiring diagram, Disconnect switch (as recommended) 1-phase 220 vac – Grizzly G0442 User Manual

Page 52

  • Text mode
  • Original mode
G0442 wiring diagram, Disconnect switch (as recommended) 1-phase 220 vac | Grizzly G0442 User Manual | Page 52 / 60 G0442 wiring diagram, Disconnect switch (as recommended) 1-phase 220 vac | Grizzly G0442 User Manual | Page 52 / 60
Pages: 1 … 50 51 52 53 54 … 60
  • wrong Brand
  • wrong Model
  • non readable
See also other documents in the category Grizzly Vacuums:
  • G0548Z (56 pages)
  • G0671 (56 pages)
  • G0671 (2 pages)
  • G0638 (60 pages)
  • G0703 11 (40 pages)
  • G1028 (3 pages)
  • G1029 (24 pages)
  • G9955 (20 pages)
  • Noise Reduction Kit for Cyclone s H8165 (1 page)
  • Model G0638 (60 pages)
  • G1028Z/G1029Z (40 pages)
  • G1029Z (40 pages)
  • G0637 (60 pages)
  • G1029 (32 pages)
  • Dust Hood G1837 (1 page)
  • G1030 (26 pages)
  • G0673 (56 pages)
  • G0562 (2 pages)
  • G1028Z (24 pages)
  • G0441 (52 pages)
  • Model G0562 (36 pages)
  • G0710 (36 pages)
  • Air Wonder Vacuum Kit H0587 (2 pages)
  • G9958 (28 pages)
  • G5954 (32 pages)
  • G0508 (56 pages)
  • G0631 (32 pages)
  • 1 1/2 HP Cyclone G0703 (56 pages)
  • G0672 (3 pages)
  • G1030Z2 (48 pages)
  • G1030Z2 (48 pages)
  • H0602 (9 pages)
  • G1163 (22 pages)
  • G1032 (2 pages)
  • 5HP Cyclone G0442 (60 pages)
  • G9975 (2 pages)
  • T10252 (4 pages)
  • Cyclone s G0440 (56 pages)
  • G1028Z/G1029 (32 pages)
  • Top Bag G4832 (1 page)
  • Model G8027 (32 pages)
  • 50 Gallon Dust Collection Bag Holder H8174 (2 pages)
  • G0689 (44 pages)
  • G0583 (36 pages)
Home Brands Popular manuals Recently added
Manuals Directory

© 2012–2025, azmanual.top
All rights reserved.