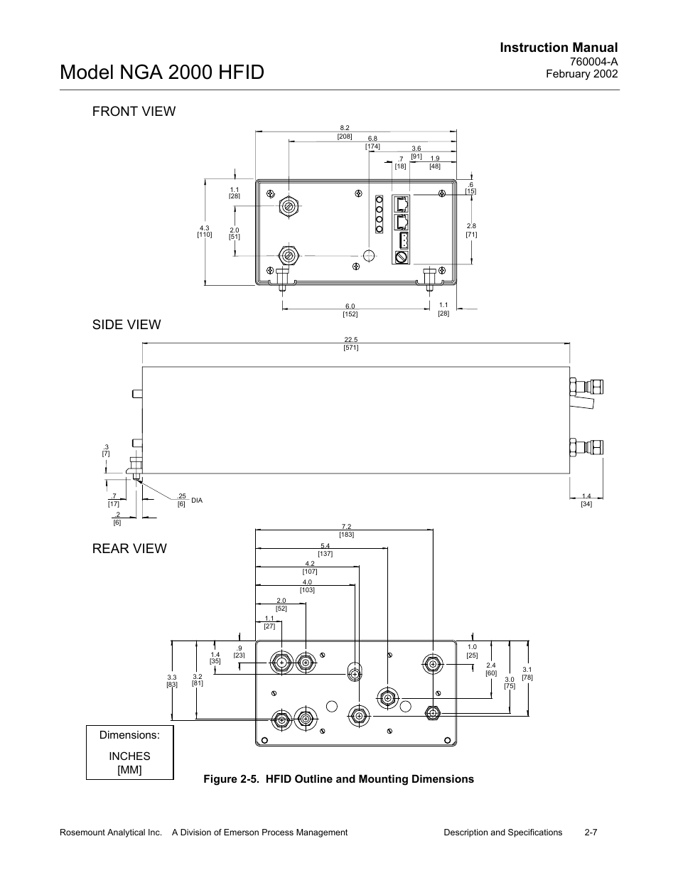
5 hfid outline and mounting dimensions, Model nga 2000 hfid, Instruction manual – Emerson Process Management 760004-A User Manual

Page 27: Front view, Side view, Rear view

5 hfid outline and mounting dimensions, Model nga 2000 hfid, Instruction manual | Front view, Side view, Rear view | Emerson Process Management 760004-A User Manual | Page 27 / 118 5 hfid outline and mounting dimensions, Model nga 2000 hfid, Instruction manual | Front view, Side view, Rear view | Emerson Process Management 760004-A User Manual | Page 27 / 118