Wiring diagrams, Wiring d iagram: models ehr 48 - ehr 52, Controller board – Dacor EH36 User Manual
Page 47

17
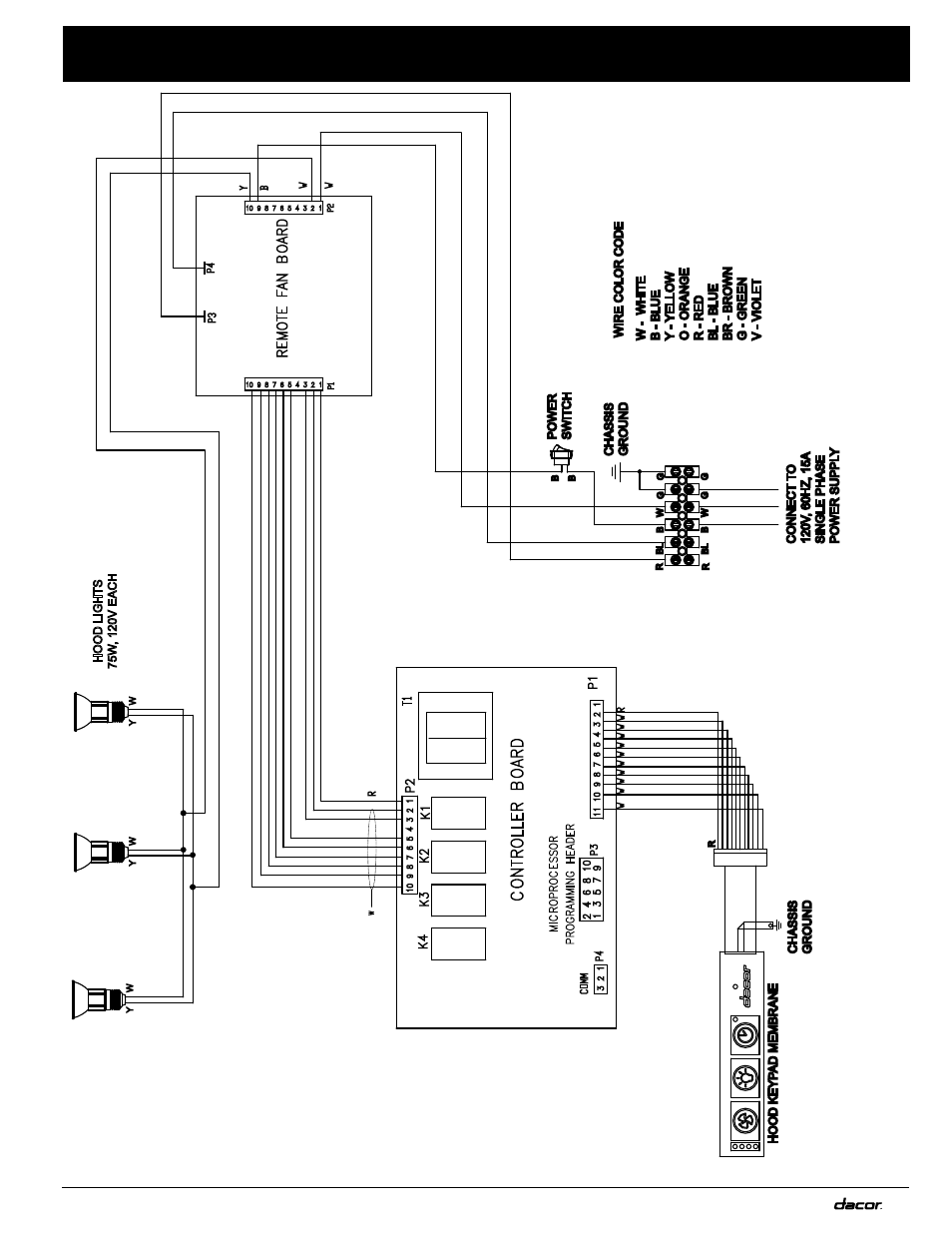
Wiring Diagrams
HOOD LIGHTS 75W
, 120V EACH
CONNECT
T
O
120V
, 60HZ, 15A
SINGLE PHASE POWER SUPPL
Y
CHASSIS GROUND
POWER SWITCH
WIRE COLOR CODE
W - WHITE B - BLUE Y -
YELLOW
O - ORANGE R - RED BL
- BLUE
BR - BROWN G - GREEN V - VIOLET
W
Y
W
Y
B
B
B
B
W
W
R
R
R
BL
BL
G
G
G
G
W
Y
R
W
W
W
W
W
W
W
W
W
W
R
Y
B
W
W
10 9 8 7 6 5 4 3 2 1
10 9 8 7 6 5 4 3 2 1
REMOTE FAN BOARD
P1
P2
P3
P4
MICROPROCESSOR
PROGRAMMING HEADER
P3
2 4 6 8 10 1 3 5 7 9
CONTROLLER BOARD
K4
K3
K2
K1
11 10 9 8 7 6 5 4 3 2 1
P2
P1
10 9 8 7 6 5 4 3 2 1
3 2 1
P4
COMM
T1
w
CHASSIS GROUND
HOOD KEYP
AD MEMBRANE
w
iring
d
iagram:
Models
ehr
48
- ehr
52