Wiring diagrams, Wiring d iagram - s ingle blower models – Dacor EH36 User Manual
Page 24

22
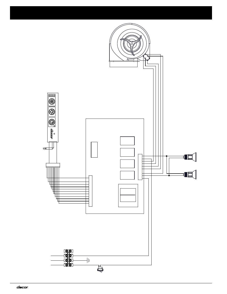
Wiring Diagrams
P3
B
B
BL
BL
O
O
R
R
R
R
W
W
W
W
W
W
W
W
W
W
W
W
W
1
1
2
2
3
5
4
6
7
8
9
10
1
2
3
5
4
6
7
8
9
10
11
3
5
4
6
7 8
9 10
Y
Y
W
Y
W
Y
BLOWER
455W
, 1
15V
HOOD LIGHTS
75W
, 120V EACH
HOOD POWER
AND
CONTROL
BOARD
CONNECT
T
O
120V
, 60HZ, 15A
SINGLE PHASE
POWER SUPPL
Y
CHASSIS
GROUND
POWER
SWITCH
CHASSIS
GROUND
HOOD KEYP
AD MEMBRANE
WIRE COLOR CODE
W - WHITE
B - BLUE
Y -
YELLOW
O - ORANGE
R - RED
BL
- BLUE
BR - BROWN
G - GREEN
V - VIOLET
MICROPROCESSOR
PROGRAMMING
HEADER
P2
P2
K2
K1
K3
K4
B
B
B
B
B
W
W
G
G
w
iring
d
iagram
- s
ingle
Blower
Models