Wiring diagrams, Wiring d iagram - d ual blower models – Dacor EH36 User Manual
Page 25

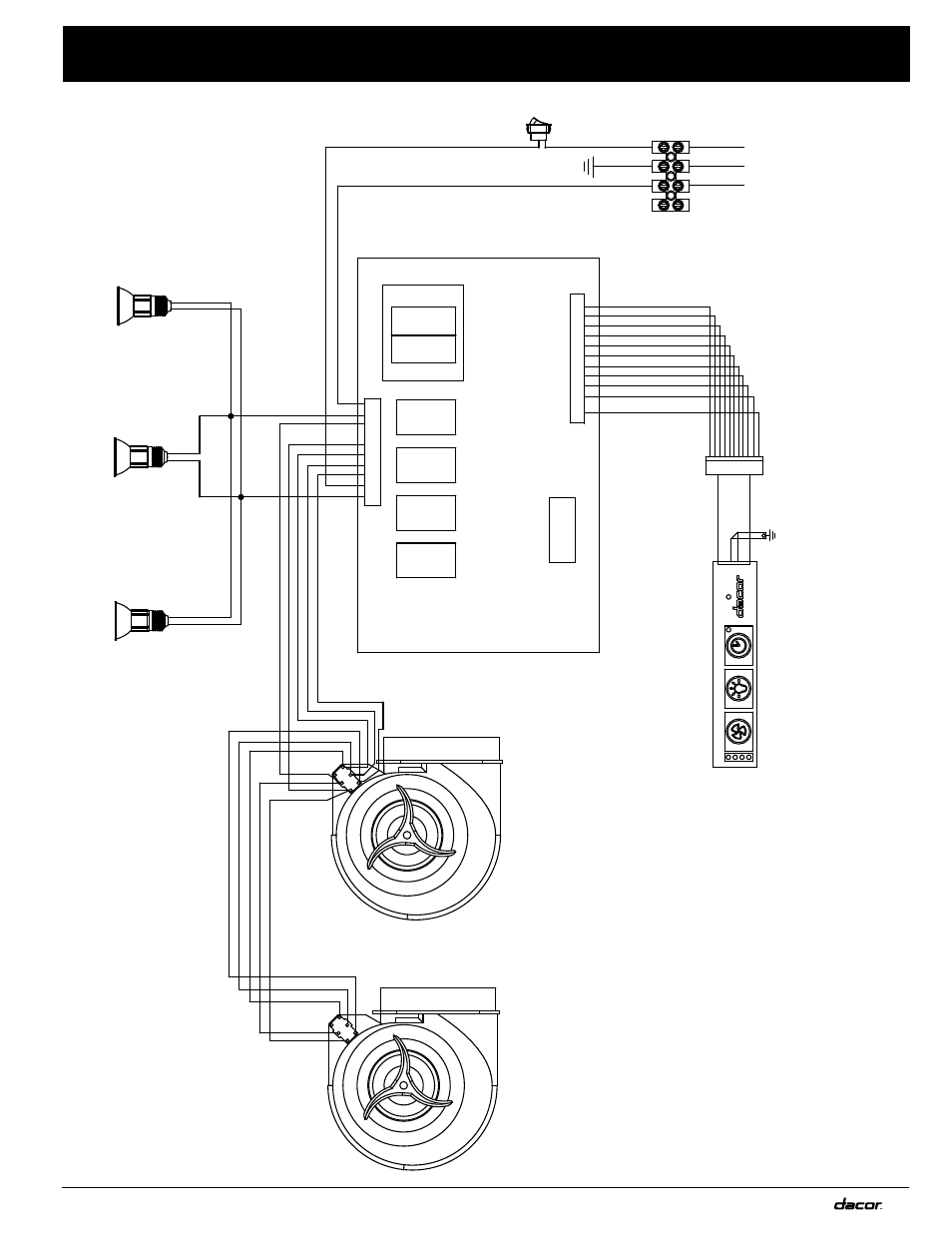
23
Wiring Diagrams
P3
BLOWER 455W
, 1
15V
B
B
B
B
BL
BL
BL
O
O
O
O
R
R
R
R
B
B
B
B
R
R
W
W
W
W
W
W
W
W
W
W
W
G
G
W
W
W
W
W
W
1
1
2
2
3
5
4
6
7
8
9
10
1
2
3
5
4
6
7
8
9
10
11
3
5
4
6
7
8
9
10
W
Y
W
Y
Y
W
BLOWER 455W
, 1
15V
HOOD LIGHT 75W
, 120V
HOOD LIGHT 75W
, 120V
HOOD POWER
AND
CONTROL
BOARD
CONNECT
T
O
120V
, 60HZ, 15A
SINGLE PHASE POWER SUPPL
Y
CHASSIS GROUND
POWER SWITCH
CHASSIS GROUND
HOOD KEYP
AD MEMBRANE
WIRE COLOR CODE
W - WHITE B - BLUE Y -
YELLOW
O - ORANGE R - RED BL
- BLUE
BR - BROWN G - GREEN V - VIOLET
MICROPROCESSOR PROGRAMMING HEADER
P2
P2
K2
K1
K3
K4
W
Y
HOOD LIGHT 75W
, 120V
w
iring
d
iagram
- d
ual
Blower
Models