Product specifications, Dimensions – Dacor EH36 User Manual
Page 34

4
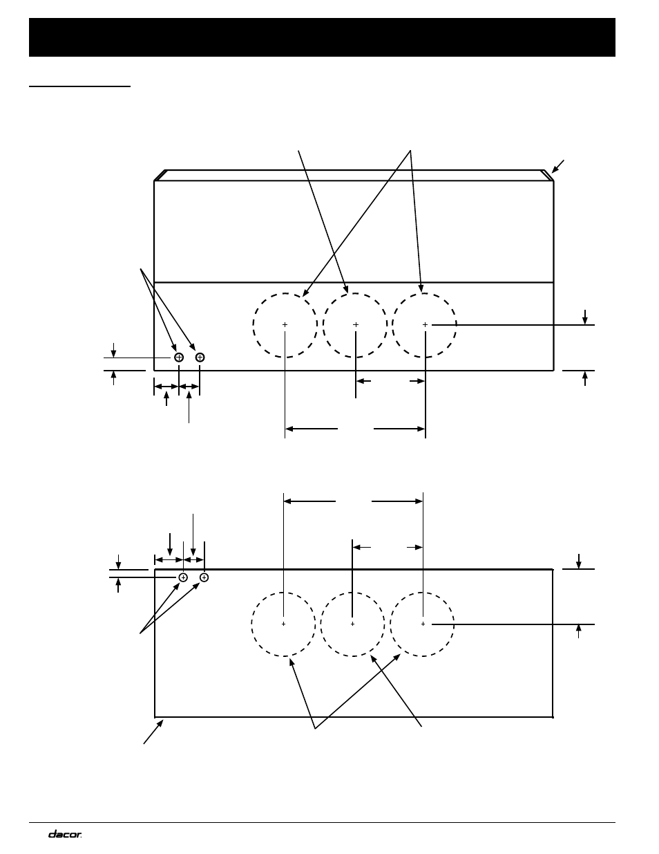
Dimensions
Product Specifications
Models EHR48, EHR54
All other models
See facing page
*
**
***
note: The exhaust duct(s) and electrical wiring can be connected from either the top or the back of the hood.
Tolerances: +1/16”, -0 (1.6 mm, -0), unless otherwise stated.
top dimensions
Dual exhaust models*
Standard 8” duct connection
Single exhaust models**
Standard 8” duct connection
Front of
hood
1 ½” (3.8 cm)
3” (7.6 cm)
4” (10.2 cm)
9 7/8”
(25.1 cm)
6 1/8”
(15.6 cm)
19 ¾”
(50.2 cm
Electrical access holes
7/8” Dia. (5.1 cm)
CL
Back dimensions
Dual exhaust models*
Standard 8” duct connection
Single exhaust models**
Standard 8” duct connection
Bottom of
hood
¾” (1.9 cm)
4” (10.2 cm)
3” (7.6 cm)
Electrical access holes
7/8” Dia. (5.1 cm)
D ***
9 7/8”
(25.1 cm)
19 ¾”
(50.2 cm
CL