Ts-wxaolpa, Output/sortie, И^>ик – Pioneer TS-WX20LPA User Manual
Page 6: Verbindungen •connexions, Conexôes •подключение •iifê, Abschluss der installation, Connections, Connessioni •conexiones
Attention! The text in this document has been recognized automatically. To view the original document, you can use the "Original mode".

TS-WXaOLPA
OUTPUT/SORTIE
200
И^>ИК
•CONNECTIONS
•VERBINDUNGEN •CONNEXIONS
•CONNESSIONI •CONEXIONES
•CONEXÔES •ПОДКЛЮЧЕНИЕ •iifê
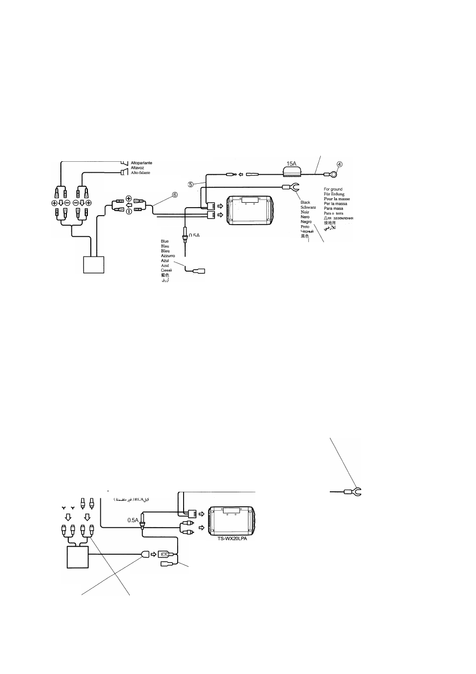
Wiring Example 1 (Speaker line Input system)
Anschlußbeispiel 1 (Lautsprecher-Line-Eingangs-System)
Exemple de branchement des fìls 1 (Système d’entrée du haut-parleur)
Esemplo di cablaggio 1 (Systema dell’ingresso della linea degli altoparlanti)
Ejemplos de alambrado 1 (Sistema entrata de la linea del altavoz)
Exemple de fîaçâo 1 (Sistema de entra de linha do alto-falante)
Пример соединений 1 (система с использованием линейного входа акустической системы)
Шт 1
( 4
p
L*-J1 Ja>-
^
jdJ JlL»
Speaker
Lautsprecher
I Haut-parleur
' Акустическая система
Â
p
L
w
Саг stereo
Autostereoanlage
Auto-radio
Autostereo
Sistema estéreo pala automóviles
Estéreo de carro
Автомобильная стереосистема
Connect all the other leads, and finally connect this terminal to the positive (+) terminal of the battery.
Alle anderen Leitungen anschliefian, und danach diese Klemme an die positive (+) Klemme dei
Batterie anschliefien.
Connecter tous les autres fils, et en dernier lieu connecter cette borne à la borne positive (+
de la batterie.
Collegara tutti gli altri fili, e collegare per ultimo questo terminale al morsetto (+) positivo delle
batteria.
Conecte todos los demás cables, y finalmente conecte este terminal al terminal positivo (+) de
\
í
batteria.
Conectar todos os outros condutores, e finalmente conectar este terminal ao terminal positivo (+) da batería
Подсоединить все другие выводы и в заключение соединить зто гнездо с пoлoжитeльны^
(+) гнездом батареи.
'-пш
—
TS-WX20LPA
Speaker line input
Lautsprecherkabel-Eingang
Entrée de cordon dè haut-parleur
Ingresso in linea speaker
Entrada de linea para altavoces
Entrada de linha do alto-falante
Линейньй вход акустической системы
ШШШШШХ
Á»Le-Jl Je»-
When using the speaker line input, be sure to connect the cord to the lead of the accessory power
cord.
Bei
Verwendung
des
Lautsprecher-Line-Eingangs
immer
des
Kabel
an
die
Leitung
des
mintgelieferten Netzkabels anschliefien.
Lors
de
l'utilisation
de
l'entrée
de
ligne
haut-parleur,
toujours
raccorder
le
cordon
au
conducteur du cordon d'alimentation accessoire.
Quando si usa l'ingresso di linea altoparlanti, accertarsi di collegare il cavo al conduttore del cavo
di alimentazione accessorio.
Cuando utilice la línea de entrada del altavoz, asegúrese de conectar el cable al cable de
corriente eléctrica accesorio.
Quando do uso de urna entrada de linha de altofalante, assegure-se de ligar o cabo ao condutor do cabo de
alimentaçâo de força do acessório.
При
использовании
линейного
ввода
громкоговорителя
провод
обязательно
соедините
с выводом имеющегося в принадлежностях сетевого шнура.
‘шшшшштт9¥шшттштщщ^0
.
J>Jil Я 5 Ш 1 Ш 1 _ ; JA1I
^
Connect firmly to a metal part of the car body. Improper grounding will cause this unit to operati
abnormally.
Einen Metallteil fest mit der Karosserie verbinden. Durch schiechte Erdung wird Fehlfunktioi
des Gerätes hervorgerufen.
Bien connecter à une partie métallique du châssis de la voiture. Une mise à la masse nor
correcte amènera un fonctionnement incorrect de l'appareil.
Collegare saldamente ad una parte metallica dll'auto. Una messa a terra scorretta causò
malfunzionamenti dell'apparecchio.
Conecte firmemente a una parte metálica de la carrocería del automóvil. Una puesta a masi
incorrecta causará el funcionamiento anormal de esta unidad.
Ligado firmemente a urna parte metálica da carrossería do carro. Caso contràrio a unidade poderá opera
deficientemente.
Надежно соединить с металлической частью кузова автомобиля. Неправильное заземлени!
будет приводить к нарушениям в работе аппарата.
. L
j
U
jj
¿ iiijitJ ÎJb-ji\
ûî Ji
j J-*" ^J>r ÒÌ f
Wiring Example 2 (RCA input system)
Anschlufibeispiel 2 (RGA-Eingangs-System)
Exemple de branchement 2 (Systéme d’entrée RCA)
Esempio di cablaggio 2 (Sistema dell’ingresso RCA)
Ejemplos de alambrado 2 (Sistema de entrata RCA)
Exemplo de fìagào 2 (Sistema de enrada do RCA)
Пример
соединений
2
(система с использованием входа типа
RCA)
!íiШfi^^J2(RCA»ílЛ^Ш
(RCA |.U
ì
;)Y >dJ Jb
Power amplifier
Leistungsverstârker
Amplificateur de
pouissance
Amplificatore di potenza
Amplificador de potencia
Amplificadoar de força
Усилитель мощности
• jJLill
<]
<1
Speaker
Lautsprecher
Haut-parleur
Altoparlante
Altavoz
Alto-falante
Акустическая система
Connect firmly to a metal part of the car body. Improper grounding will cause this unit to operate abnormally.
Einen Metallteil fest mit der Karosserie verbinden. Durch schiechte Erdung wird Fehlfunktion des Gerätes hervorgerufen.
Bien connecter á une partie métallique du châssis de la voiture. Une mise á la masse non correcte amènera un fonctionnement incorrec
del'appareil.
Collegare saldamente ad una parte metallica dell'auto. Una messa a terra scorretta causa malfunzionamenti dell'apparecchio.
Conecte firmemente a una parte metálica de la carrocería del automóvil. Una puesta a masa incorrecta causará el funcionamiento anormal d<
esta unidad.
Ligado firmemente a urna parte metálica da carrossería do carro. Caso contràrio a unidade poderá operar deficientemente.
Надежно соединить с металлической частью кузова автомобила. Неправильное заземление будет приводить к чарушениям в работе
аппарата.
■
^
Я ън л
J^\
j U-*" J1 f 15^1; J-«
RCA cord (Not included)
RCA-Kabel (Nicht mitgeliefert)
Cable RCA (Nést pas inclusi
/ Cordone RCA (Non compreso)
/ Cordón RCA (No està incluido)
/
Fio do RCA (Nào incluido)
/ ЩнурКСА (в комплект не входит)
rca
«^ (^^^)
15А
-C3Q)
Deck, etc
Deck usw.
Appareil
Piastra, ecc.
Deck, etc
Deck, etc
Магнитофон V
шшт
■ ¿4 ‘
System remote control output
System-Fembedienungsausgang
Sortie télécommande de votre appareil
Uscita del telecomando del sistema
Sistema de control remoto del sistema
Saida do controle remoto do sistema
Выход блока дистанционного управления системы
ш -ш ш т т к
^Ikil Лм ¿jt- (,^^1 jLp-
RCA preout
RCA Voràusgang
Sortie de préampli RCA
Preuscita RCA
Presalida RCA
Pré-saida RCA
Выход типа RCA
RCA «Üíllííí
RGA 4 a 11 II Д 4-fcj l"i 1 II IУ
Blue
Blau
Bleu
Azzurro
Azul-^
Azul
Синий
For ground
Für Erdung
Pour la masse
Per la massa
Para massa
Para
O
terra
Для заземления
шшт
System remote control input cord (blue cord included) supplies power to your unit, determining whether it is ON or OFF. Wire the cord to the systen
remote control output of your deck, etc.
Das Eingangs kabel der System-Fembedienung (mitgeliefertes blaues Kabel) versorgt das Gerät mit Strom und stellt fest, ob es ein-ode:
ausgeschaltet ist. Das kabel am Ausgang für die System-Fernbedienung des Decks usw. anschließen.
Câble bleu, fourni, servant à la télécommande. Il fournit l'alimentation à votre appareil et détermine son état:éteint ou allumé. Branche:
' ce câble à la sortie télécommande de votre appareil.
Il cavo dell'ingresso del telecomando del sistema (cordone azzurro compreso) fornisce l'alimentazione alla unità, determinando se è attivati
(ON) oppure disattivata (OFF). Collegare il cordone all'uscita del telecomando del sistema della piastra, ecc.
El cable de entrada de control remoto del sistema (cable azul incluido) alimenta la unidad, determinado si está encendida (ON) с
apagada (OFF). Conecte el cable a la salida de control remoto del sistema de su deck, etc.
O fio de entrada do controle remoto do sistema (fio azul incluido) fornece energia para a sua unidade, determinando se eia está Ligada (ON) oi
Desligada (OFF). Conecte o fio com a saída de controle remoto do sistema de seu deck,etc.
Входной шнур блока дистанционного управления системы (синий, входит в комплект) обеспечивает подачу питания на аппарат, определя:
включен он или выклочен. Шнур следует подсоединить к выходу пульта дистанционного управления магнитофона или ему подобногс
аппарата.
jUl
Ли jt’
jLf» л
• ‘-•'Äl
■’ ^
^) Jiu ¿jt’
jL|»- Л^
FINAL STEP OF THE INSTALLATION Finish the installation by reconnecting the vehicle's negative (—) battery lead.
ABSCHLUSS DER INSTALLATION
Die installation durch den Anschluß des negativen Batteriekabels (—) des Fahrzeugs beenden.
ATT A ттл*1к.т