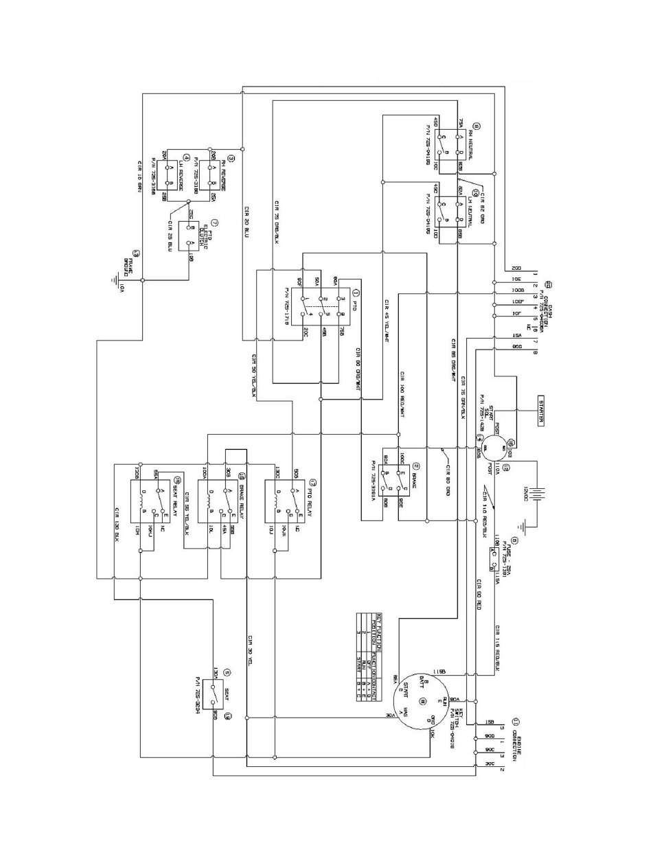
Cub Cadet RZT 22 User Manual
Page 30
See also other documents in the category Cub Cadet Special machinery:
- G1332 (20 pages)
- i1046 (36 pages)
- i1046 (32 pages)
- 54M (28 pages)
- 980 (20 pages)
- 949 (20 pages)
- Time Save (28 pages)
- 990 (24 pages)
- 997 (36 pages)
- V469 (20 pages)
- 6 Fabricated Deck (36 pages)
- M48-M60-KW (28 pages)
- 4 Fabricated Deck (36 pages)
- 4 Fabricated Deck (32 pages)
- 6 Fabricated Deck (28 pages)
- 4 Fabricated Deck (32 pages)
- 4 Fabricated Deck (32 pages)
- 6 Fabricated Deck (32 pages)
- 4 Fabricated Deck (32 pages)
- CC 500 BAT (30 pages)
- CC 22 (20 pages)
- CC 949 (13 pages)
- 33" Wide Area (29 pages)
- Z-Wing (88 pages)
- TANK S Series: Electrical System (9 pages)
- TANK S Series: Hydraulic Drive & Steering System (12 pages)
- TANK S Series: Steering System Adjustments (11 pages)
- 640 (24 pages)
- 640 (20 pages)
- 641 (24 pages)
- 641 (20 pages)
- J466 (32 pages)
- Series C460 (28 pages)
- 435A (24 pages)
- 642 (24 pages)
- 414 (24 pages)
- M465 (28 pages)
- Fun Runner (117 pages)
- 4 x 2 Big Country - Steel Bed (38 pages)
- 4 x 2 Big Country - Poly Bed & Steel Bed (82 pages)
- 4 x 4 Volunteer (328 pages)
- 6 x 4 Big Country (121 pages)
- CC 4BP 32cc (29 pages)
- 2518-48 (60 pages)
- 1525 (39 pages)

