Directory
Brands
Craftsman manuals
Equipment
315.220380
Manual

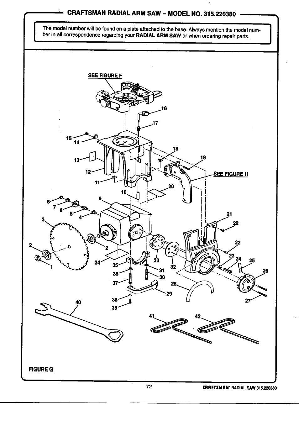
Figure g – Craftsman 315.220380 User Manual

Page 72

  • Text mode
  • Original mode
Figure g | Craftsman 315.220380 User Manual | Page 72 / 82 Figure g | Craftsman 315.220380 User Manual | Page 72 / 82
Pages: 1 … 70 71 72 73 74 … 82
  • wrong Brand
  • wrong Model
  • non readable
See also other documents in the category Craftsman Equipment:
  • 1/2 HP GARAGE DOOR OPENER 139.53978SRT (40 pages)
  • 1/2HP Garage Door Opener 139.53515SR (24 pages)
  • 119.214000 (20 pages)
  • 137.218250 (36 pages)
  • 137.248840 (30 pages)
  • 137.248850 (30 pages)
  • 139.53910 (76 pages)
  • Model 15201 (2 pages)
  • 247.346250 (28 pages)
  • 315.269210 (22 pages)
  • 315.275000 (20 pages)
  • 315.279840 (16 pages)
  • 320.28190 (44 pages)
  • 139.535006 (28 pages)
  • 137.224320 (25 pages)
  • 917.24985 (12 pages)
  • 580.752000 (40 pages)
  • 646.10620 (8 pages)
  • 196.205690 (60 pages)
  • 1/2 HP GARAGE DOOR OPENER MODEL 139.5364812 (40 pages)
Home Brands Popular manuals Recently added
Manuals Directory

© 2012–2025, azmanual.top
All rights reserved.