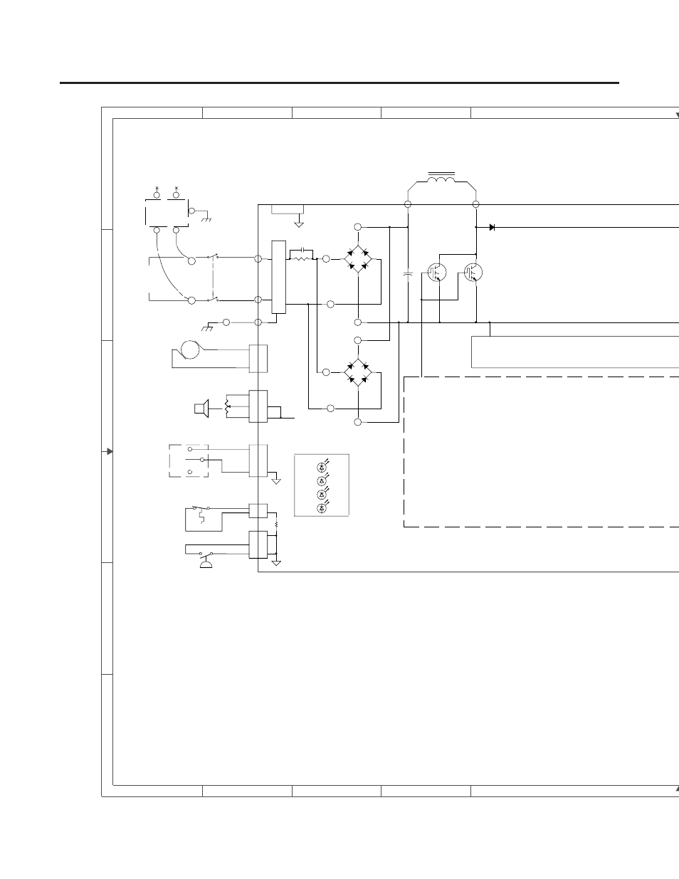
Appendix 3: system schematic – Tweco 38 CutMaster User Manual
Page 48

APPENDIX
A-4
Manual 0-2888
1
1
2
2
3
3
4
4
A
B
C
D
E
F
AC
3
CURRENT
CONTROL
1
2
1
MAIN PCB ASSEMBLY
1
2
J5
2
1
P5
GAS
1
3
DC
FAN1
1
2
P4
TEMP
J4
2
2
M1
CURRENT ADJUST
20 - 30
RED
BLACK
19X1773
TS1
OVER-TEMP
FILTE
RING
PFC INDUCTOR
T1
BIAS
CONVERTER
LOGIC AND CONTROL CIRCUITRY
PS1
PRESSURE SW
3
1
P6
3
1
J6
2
CW
P9
J9
D13
D16
D19
D7
SW2
RUN
SET
1
2
J2
3
2
3
1
P2
BR2
PANEL INDICATOR
(5)
(6)
(7)
(8)
(9)
(10)
(11)
ZERO
1
4
J7
TEST
K1
12VDC
+
NORMALLY CLOSED
TEST POINTS:
TP1 LOGIC COMMON
TP2 SHORT TO TP23 TO DISABLE BIAS SUPPLY
TP6 SHORT TO TP24 TO DISABLE POWER
FACTOR CORRECTION
TP8 SHORT TO TP26 TO DISABLE SHORTED
TORCH PROTECTION
(E14A)
(E16A)
(E15A)
(E12A)
(E16B)
(E12B)
(E14B)
1
2
3
4
2
3
BR1
4
1
E16A
Q8
-+
E14A
E15A
E12B
E13
E16B
E1
STUD
Q7
E11
-+
E15B
E2
D47
E14B
E12A
E18
A-03405
CAUTION: SOME PORTIONS OF THE CONTROL/
LOGIC CIRCUITRY ARE CONNECTED TO THE
INPUT LINE. CONNECTION TO A GROUNDED
INSTRUMENT COULD CAUSE A SHOCK
HAZARD OR DESTROY THE POWER SUPPLY.
ACCESS BY AN AUTHORIZED TECHNICIAN ONLY.
SW1
(E1)
SW1
120/208/230V
INPUT
50/60HZ
(E2)
L1
INP UT 230V ONLY
CHASSIS GND
E MC
FILTER
CE ONLY
2
(E15B)
APPENDIX 3: SYSTEM SCHEMATIC
- PAK 200i (160 pages)
- 211i Fabricator (96 pages)
- 15C Drag-Gun LT (32 pages)
- AirCut 15C (36 pages)
- TD-750 Cutting Systems (32 pages)
- TD-750 Cutting Systems (32 pages)
- 6000 Cutting System (36 pages)
- 100 Auto-Cut (104 pages)
- 100 Auto-Cut (148 pages)
- Auto-Cut 100 Torch Operation (20 pages)
- 200 Auto-Cut (136 pages)
- 300 Auto-Cut (164 pages)
- C-20A CUTSKILL (32 pages)
- C-35A CUTSKILL (36 pages)
- C-70A CUTSKILL (36 pages)
- 15XC CE Merlin PAK (134 pages)
- 6000 CE Merlin (78 pages)
- Merlin 6000 Plasma Cutting CE Slave Power Supply (48 pages)
- 6000GST Merlin Plasma Cutting CE Slave Power Supply (78 pages)
- 150XL CE PAK Master Without Latch Circuit (54 pages)
- CutMaster 101 (62 pages)
- CutMaster 101 with SL100SV (172 pages)
- CutMaster 10mm (66 pages)
- CutMaster 10mm-12mm (44 pages)
- CutMaster 12mm-20mm-25mm (80 pages)
- CutMaster 12mm (76 pages)
- 151 CutMaster (60 pages)
- 151 with SL100SV (172 pages)
- 152 CutMaster (84 pages)
- 15mm Cutmaster (44 pages)
- 20mm Cutmaster (80 pages)
- 25mm Cutmaster (80 pages)
- CutMaster 35mm 40mm (80 pages)
- CutMaster 35mm (84 pages)
- 38 CutMaster (54 pages)
- 39 CutMaster (68 pages)
- 42 CutMaster Operating Manual (35 pages)
- 42 CutMaster Service Manual (78 pages)
- 50 CutMaster (44 pages)
- 51 CutMaster (60 pages)
- 51 with SL100SV CutMaster (172 pages)
- 102 Cutmaster (80 pages)
- 82 PlazMaster (80 pages)
- 81 CutMaster (63 pages)
