При подключении к отдельно, Приобретенному усилителю, Мощности 139 – Pioneer SPH-DA02 User Manual
Page 139: Подключение системы, Ру сский

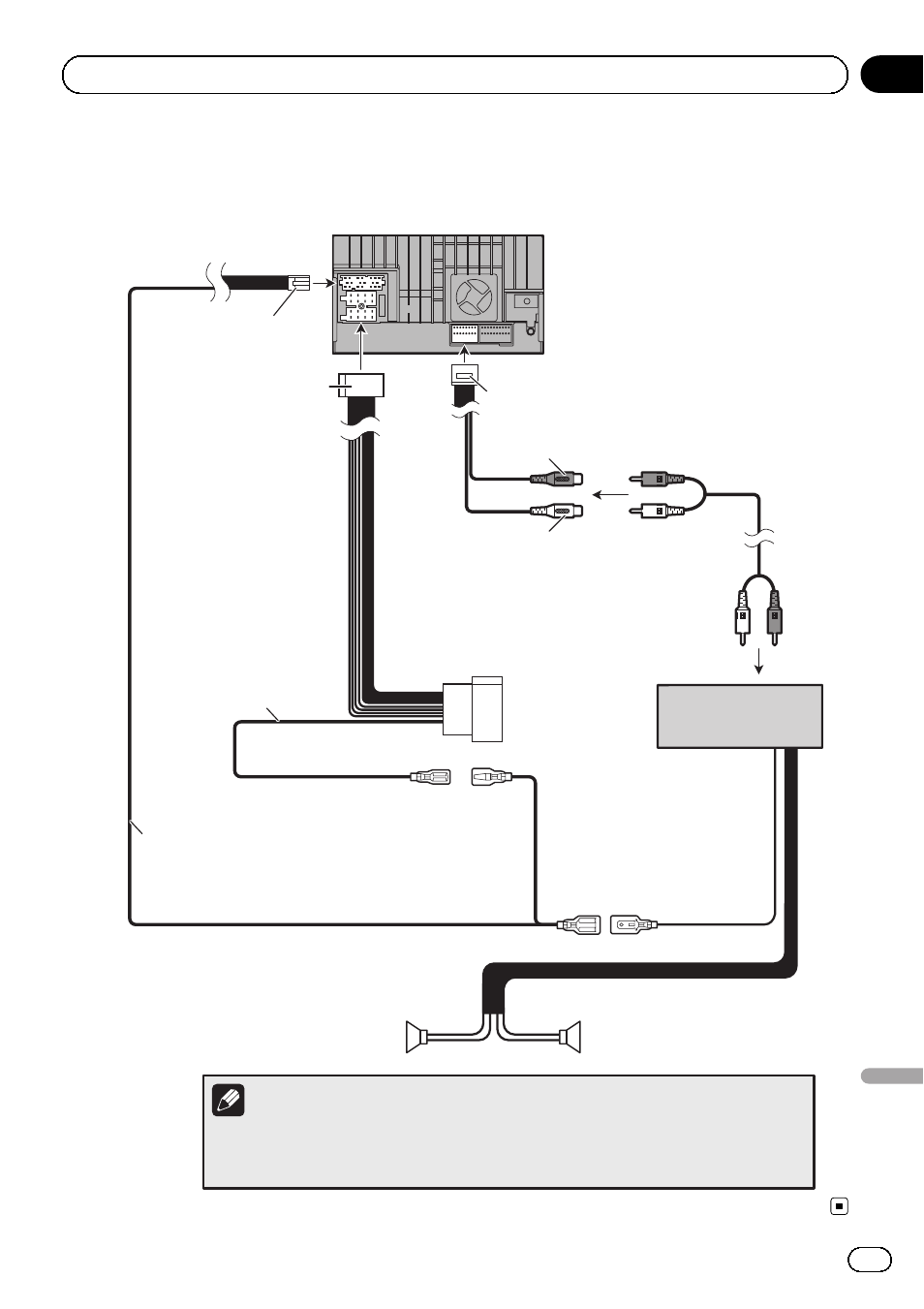
При подключении к отдельно приобретенному
усилителю мощности
Данное изделие
Синий/белый (P.CONT)
Левый
Правый
Низкочастотный сабвуфер или
Задний динамик
Кабель линии управления
Силовой шнур
Синий/белый (P.CONT)
RCA кабель
(продается отдельно)
Белый
(FULL/SW)
Красный
(FULL/SW)
Кабель выходного сигнала
Низкочастотный сабвуфер или
Задний динамик
К клемме управления системой усилителя
мощности (макс. 300 мА 12 В Пост. ток).
Вы можете изменить выход RCA низкочастотного динамика в зависимости от
системы вашего низкочастотного динамика.
(Обратитесь к Руководству по эксплуатации.)
Примечание
Усилитель мощности
(продается отдельно)
Ru
139
Раздел
02
Ру
сский
Подключение системы
See also other documents in the category Pioneer Car Multimedia:
- PRS-X340 (88 pages)
- ND-G500 (44 pages)
- RS-A7 (142 pages)
- GM-X554 (76 pages)
- GM-X574 (88 pages)
- PRS-D1100M (113 pages)
- PRS-D1100M (8 pages)
- GM-X952 (32 pages)
- PRS-D210 (86 pages)
- GM-X642 (64 pages)
- GM-X562 (76 pages)
- PRS-A700 (74 pages)
- RS-A9 (73 pages)
- GM-X564 (76 pages)
- PRS-A500 (62 pages)
- AVIC-S2 RU (45 pages)
- AVIC-S2 RU (153 pages)
- AVIC-S2 RU (84 pages)
- AVH-2300DVD (64 pages)
- AVH-2300DVD (8 pages)
- DEH-P6600R (103 pages)
- AVIC-F50BT (2 pages)
- AVIC-F50BT (168 pages)
- AVIC-F50BT (132 pages)
- AVIC-F50BT (104 pages)
- AVIC-F50BT (180 pages)
- AVIC-F50BT (208 pages)
- AVIC-F850BT (200 pages)
- AVIC-900DVD (30 pages)
- AVIC-900DVD (74 pages)
- AVIC-900DVD (172 pages)
- AVIC-900DVD (190 pages)
- AVH-P3400DVD (112 pages)
- AVH-1400DVD (8 pages)
- AVH-1400DVD (76 pages)
- AVH-1400DVD (76 pages)
- CNSD-110FM-Russian (32 pages)
- AVIC-F860BT (216 pages)
- AVIC-F860BT (132 pages)
- AVIC-F30BT (172 pages)
- AVIC-F30BT (100 pages)
- AVIC-F930BT (2 pages)
- AVIC-F30BT (208 pages)
- AVIC-F30BT (128 pages)
- AVIC-F30BT (124 pages)