11 informaciones adicionales, Acerca de las carpetas y archivos wma, Archivos wma – Pioneer DEH-P8400MP User Manual
Page 126

00
Sección
11
Informaciones adicionales
Sp
62
Acerca de las carpetas y archivos
WMA
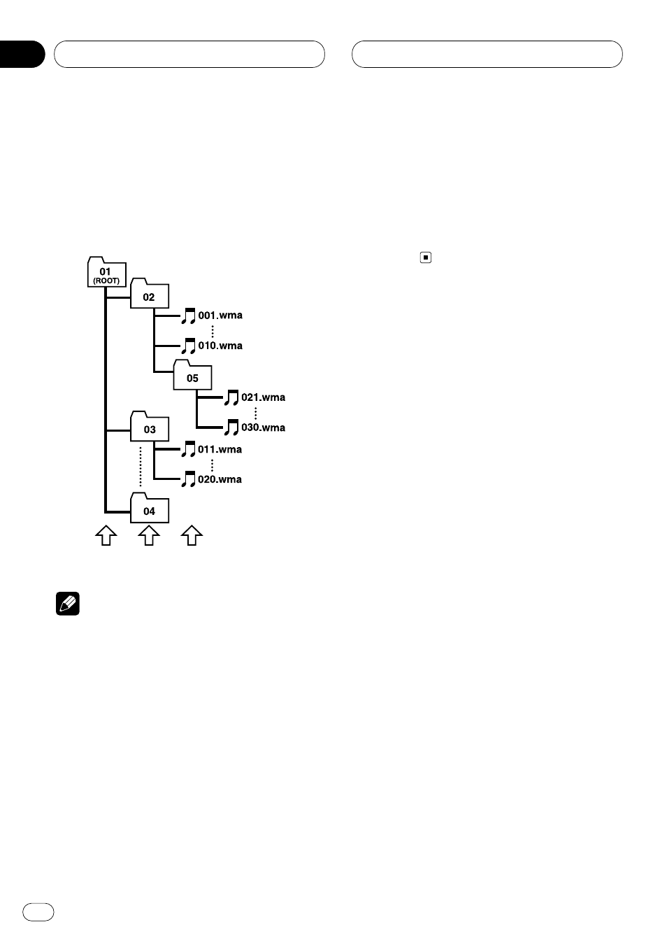
• Abajo se muestra un esquema de un CD-ROM
con archivos WMA en el mismo. Las subcar-
petas se muestran como carpetas en la car-
peta seleccionada actualmente.
Notas
• El equipo asigna los números de carpetas. El
usuario no podrá asignar números de carpetas.
• Cuando reproduce discos con archivos WMA
y datos de audio (CD-DA) tales como CD-
EXTRA y MIXED-MODE CD, ambos los tipos
se pueden reproducir solamente mediante el
cambio de modo entre WMA y CD-DA con
BAND
.
• No es posible comprobar las carpetas que no
incluyen archivos WMA. (Estas carpetas
serán saltadas sin la indicación del número
de carpeta.)
• Es posible reproducir archivos WMA en hasta
8 hileras de carpetas. Sin embargo, hay un
retardo en el inicio de la reproducción de los
discos que tienen numerosas hileras. Por tal
motivo, se recomienda crear los discos de
manera que no tengan más de 2 hileras.
• Es posible reproducir hasta 253 carpetas en
un disco.
Archivos WMA
• WMA es abreviatura de Windows Media
Audio y se refiere a una tecnología de com-
presión de audio desarrollad por Microsoft
Corporation. Los datos WMA se pueden codi-
ficar usando Windows Media Player versión 7,
7,1 o Windows Media Player for Windows XP.
• Algunas aplicaciones utilizadas para codificar
archivos WMA pueden que no funcionen
correctamente.
• Con algunas aplicaciones utilizadas para
codificar archivos WMA, los nombres de
álbum y otras informaciones de texto pueden
que no se visualicen correctamente.
• Este producto permite la reproducción de
archivos WMA en los discos CD-ROM, CD-R y
CD-RW. Es posible reproducir grabaciones de
disco compatibles con nivel 1 y nivel 2 de
ISO9660 y con el sistema de archivos Romeo y
Joliet.
• Es posible reproducir discos grabados
compatibles con multi-sesión.
• Solamente cuando se reproducen archivos
WMA de las frecuencias 32, 44,1 y 48 kHz.
• Los archivos WMA no son compatibles con la
transferencia de datos escritos en paquetes.
• El número máximo de caracteres que se
puede visualizar para un nombre de archivo,
incluyendo la extensión (.wma), es de 32
caracteres a partir del primer carácter.
• El número máximo de caracteres que se
puede visualizar para un nombre de carpeta
es de 32 caracteres.
Primer Segundo Tercer
nivel
nivel
nivel