Search
Directory
Brands
TOHO ELECTRONICS manuals
Sensors
TRM-006A
Manual
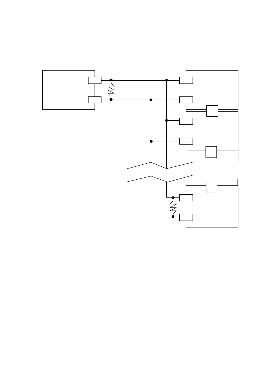
Connections – TOHO ELECTRONICS TRM-006A User Manual
Page 35
Text mode
Original mode
Connections | TOHO ELECTRONICS TRM-006A User Manual | Page 35 / 40
Pages:
1
…
33
34
35
36
37
…
40
wrong Brand
wrong Model
non readable
See also other documents in the category TOHO ELECTRONICS Sensors:
TTM200
(51 pages)
TTM200
(264 pages)
TTM000
(42 pages)
TTM-339
(32 pages)
TTM-P4
(16 pages)
TTM-509
(66 pages)
TTX-700
(40 pages)
TTM-00BT
(35 pages)
TTM-10L
(8 pages)
TTM-10L
(19 pages)