Rainbow Electronics MAX1541 User Manual
Page 38

MAX1540/MAX1541
Dual Step-Down Controllers with Saturation
Protection, Dynamic Output, and Linear Regulator
38
______________________________________________________________________________________
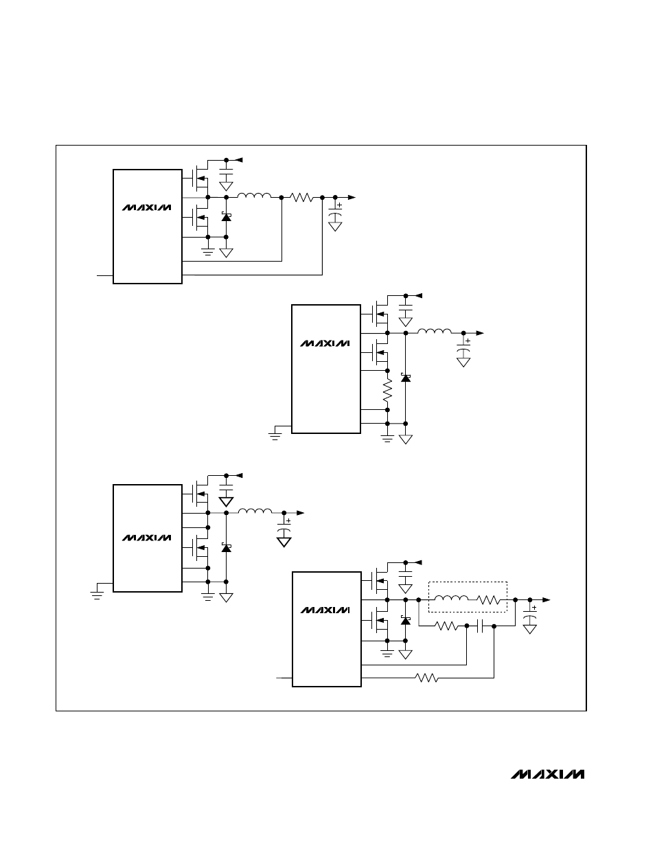
Figure 14. Current-Sense Configurations
MAX1540
MAX1541
V
OUT
C
OUT
V
IN
L
INDUCTOR
R
L
C
IN
LSAT
d) LOSSLESS INDUCTOR SENSING
CSN
CSP
GND
DL
DH
LX
DISABLE
LSAT
C
EQ
R
EQ
R
BIAS
= R
EQ
MAX1540
MAX1541
V
OUT
C
OUT
V
IN
L
C
IN
LSAT
c) LOW-SIDE MOSFET SENSING
CSP
GND
CSN
DL
DH
LX
DISABLE
LSAT
MAX1540
MAX1541
V
OUT
C
OUT
V
IN
L
C
IN
R
SENSE
LSAT
b) LOW-SIDE SERIES RESISTOR SENSING
CSP
GND
CSN
DL
DH
LX
CONNECT TO
PREFERRED
LSAT SETTING
MAX1540
MAX1541
V
OUT
C
OUT
V
IN
L
C
IN
LSAT
a) OUTPUT SERIES RESISTOR SENSING
GND
DL
DH
LX
CONNECT TO
PREFERRED
LSAT SETTING
CSN
CSP
R
SENSE
                    See also other documents in the category Rainbow Electronics Sensors:                                                            
                    - MAX5151 (16 pages)
 - MAXQ3108 (64 pages)
 - MAX5661 (39 pages)
 - MAX6691 (7 pages)
 - MAX5362 (12 pages)
 - ADC10158 (26 pages)
 - MAX8922L (14 pages)
 - MAX8596Z (8 pages)
 - MAX7491 (18 pages)
 - MAX15040 (15 pages)
 - MAX5177 (16 pages)
 - ADC08138 (22 pages)
 - MAX5961 (42 pages)
 - T89C51RD2 (86 pages)
 - MAX16055 (9 pages)
 - MAX6659 (17 pages)
 - ADC0820 (20 pages)
 - MAX6678 (19 pages)
 - MAX8884Z (15 pages)
 - MAX16915 (9 pages)
 - MAX8620 (18 pages)
 - MAX5144 (12 pages)
 - MAX6670 (8 pages)
 - MAX8760 (39 pages)
 - W78C32C (14 pages)
 - MX7533 (8 pages)
 - MAX8727 (13 pages)
 - MAX9053 (15 pages)
 - W78C54 (16 pages)
 - MAX8614B (15 pages)
 - W90N740 (219 pages)
 - MAX6626 (13 pages)
 - ADC10738 (30 pages)
 - MAX17000 (31 pages)
 - MAX5051 (21 pages)
 - MAXQ1004 (18 pages)
 - MAX6871 (51 pages)
 - MX7847 (12 pages)
 - MAX6608 (6 pages)
 - MAX17083 (15 pages)
 - MAX6641 (17 pages)
 - MAX5251 (16 pages)
 - MAX6338 (8 pages)
 - MAX6690 (16 pages)
 - MAX8668 (18 pages)
 
