Design procedure – Rainbow Electronics MAX1541 User Manual
Page 35

Design Procedure
Firmly establish the input voltage range and maximum
load current before choosing a switching frequency
and inductor operating point (ripple-current ratio). The
primary design trade-off lies in choosing a good switch-
ing frequency and inductor operating point, and the fol-
lowing four factors dictate the rest of the design:
•
Input voltage range: The maximum value (V
IN(MAX)
)
must accommodate the worst-case, high AC-adapter
voltage. The minimum value (V
IN(MIN)
) must account
for the lowest battery voltage after drops due to con-
nectors, fuses, and battery selector switches. If there
is a choice at all, lower input voltages result in better
efficiency.
•
Maximum load current: There are two values to
consider. The peak load current (I
LOAD(MAX)
) deter-
mines the instantaneous component stresses and fil-
tering requirements and thus drives output capacitor
selection, inductor saturation rating, and the design of
the current-limit circuit. The continuous load current
(I
LOAD
) determines the thermal stresses and thus dri-
ves the selection of input capacitors, MOSFETs, and
other critical heat-contributing components.
•
Switching frequency: This choice determines the
basic trade-off between size and efficiency. The
optimal frequency is largely a function of maximum
input voltage due to MOSFET switching losses that
are proportional to frequency and V
IN2
. The opti-
mum frequency is also a moving target, due to
rapid improvements in MOSFET technology that are
making higher frequencies more practical.
•
Inductor operating point: This choice provides
trade-offs between size vs. efficiency and transient
response vs. output ripple. Low inductor values
provide better transient response and smaller phys-
ical size, but also result in lower efficiency and
higher output ripple due to increased ripple cur-
rents. The minimum practical inductor value is one
that causes the circuit to operate at the edge of crit-
ical conduction (where the inductor current just
touches zero with every cycle at maximum load).
Inductor values lower than this grant no further size-
reduction benefit. The optimum operating point is
usually found between 20% and 50% ripple current.
When pulse skipping (SKIP low and light loads), the
inductor value also determines the load-current
value at which PFM/PWM switchover occurs.
MAX1540/MAX1541
Dual Step-Down Controllers with Saturation
Protection, Dynamic Output, and Linear Regulator
______________________________________________________________________________________
35
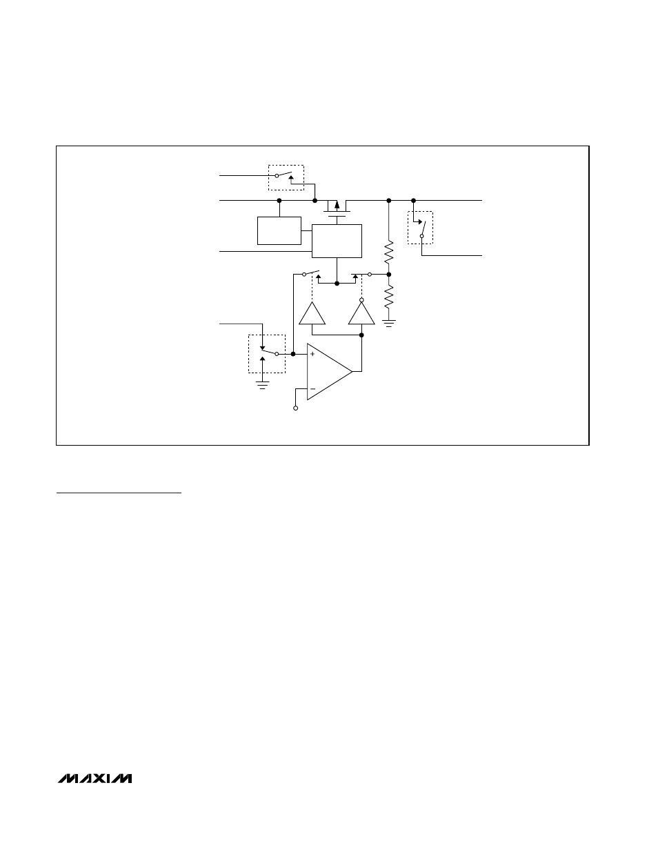
Figure 13. Internal Linear-Regulator Functional Diagram
VL REG
AND REF
GATE DRIVER
AND ERROR
AMP
LDOOUT
*V
DD
*MAX1541 ONLY.
*FBDLO
LDOON
*LDOIN
V+
0.2V
FIXED 5V
INTERNAL FBLDO
OPTION BETWEEN
THE MAX1540/MAX1541
INTERNAL LDOIN
OPTION BETWEEN
THE MAX1540/MAX1541
INTERNAL V
DD
OPTION BETWEEN
THE MAX1540/MAX1541
