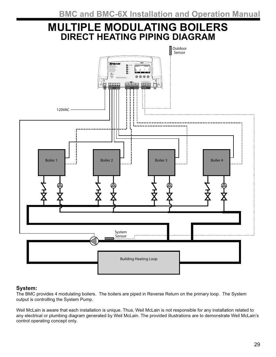
Multiple modulating boilers, Direct heating piping diagram, Bmc and bmc-6x installation and operation manual – Weil-McLain BMC-6X User Manual
Page 29: System, Ma gnd vlt, Ma temp outdoor o o temp system extension module, Prove /dhw shutdown /setback
This manual is related to the following products:
See also other documents in the category Weil-McLain Water boiler:
- GOLD CGt SERIES (3 pages)
- SERIES 2 LGB-8 (11 pages)
- LGB-23 (12 pages)
- ULTRA 105 (60 pages)
- ULTRA 310 (1 page)
- -105 (28 pages)
- 550-141-830/1202 (12 pages)
- GV Series 4 (8 pages)
- GAS CONVERSION KIT GV-4 510-811-605 (2 pages)
- Ultra Series 2 (2 pages)
- ULTRA 155 (2 pages)
- GOLD CGI-4E (68 pages)
- SB0002 (2 pages)
- EGH-105 (36 pages)
- AQUA PLUS GL-E223-ADOC 0311 (44 pages)
- GOLD CGS 550-110-260/0508 (64 pages)
- BCP-8S (28 pages)
- LGB-4 (8 pages)
- HE II Boiler (5 pages)
- LGB-6 (12 pages)
- C-1013 (24 pages)
- CGs (24 pages)
- P-SGO (4 pages)
- GOLD CGS-4E (64 pages)
- Oil-Fired Water Boiler (4 pages)
- LGB (24 pages)
- Gold CGa (68 pages)
- GV90+ (108 pages)
- GOLD CGs (16 pages)
- PLUS LINE PLUS-E017-A/1206 (68 pages)
- WGO (12 pages)
- PFG (24 pages)
- PEG-30 THRU -65 (24 pages)
- LGB-20 (12 pages)
- Boiler (32 pages)
- 382-200-300 (2 pages)
- Ultra Electric Water Heater (12 pages)
- GOLD CGI SERIES 2 (68 pages)
- 88 (40 pages)
- PFG Series (3 pages)
- EGH-85 (16 pages)
- Gold GV 3 Series (16 pages)
- SERIES 7 PFG (16 pages)
- FLAME GUARDIAN WMBC-1A (11 pages)
