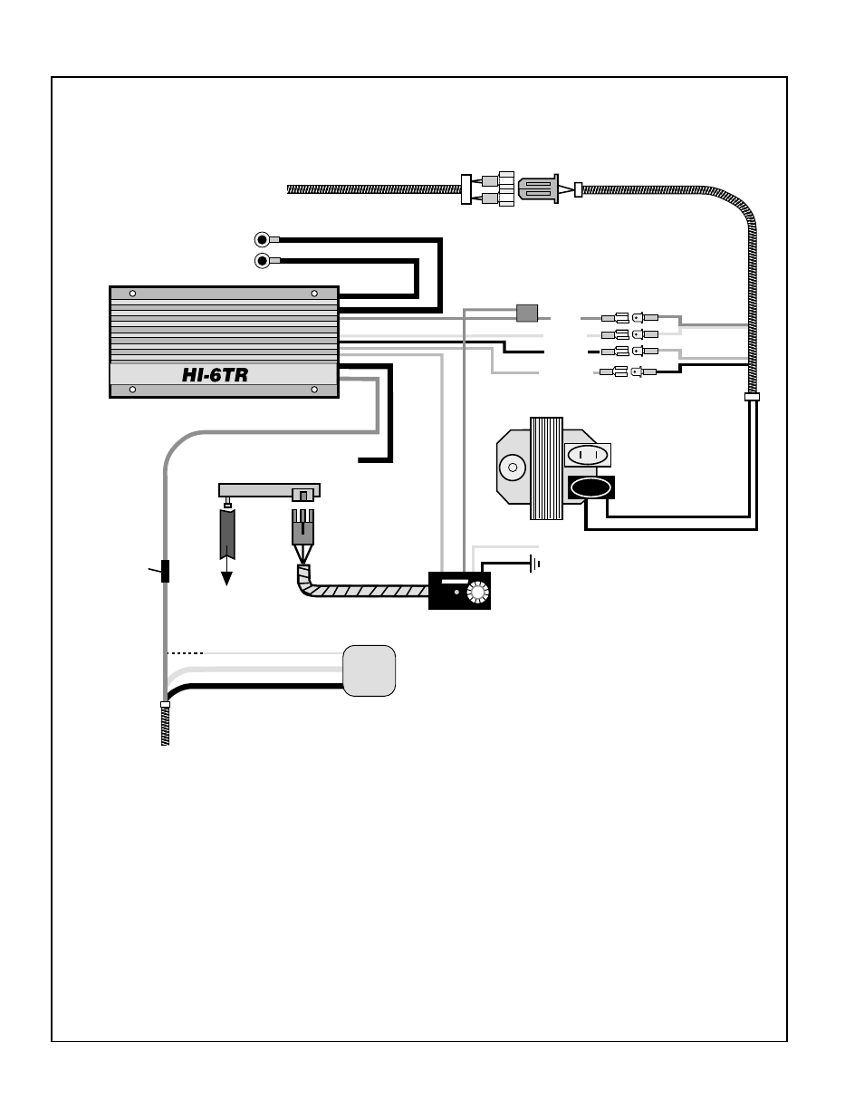
Ignition/boost control installation, cont'd. 18 – Vortech 1992-1996 5.7L LT1 Corvette User Manual
Page 28
See also other documents in the category Vortech For the car:
- 2006-2010 6.1L Jeep SRT8 (53 pages)
- 2005-2008 5.7L Hemi Cars (Charger, Challenger, Magnum, 300C) (38 pages)
- 2011-2012 6.4L Hemi Challenger (30 pages)
- 2009-2010 5.7L Hemi Cars (Charger, Challenger, 300C) (38 pages)
- 1993-1996 5.2L Grand Cherokee (25 pages)
- 1996-2001 5.2L/5.9L Ram (28 pages)
- 1991-1995 5.2L/5.9L Dakota/Ram (21 pages)
- 2005-2008 Ford 4.0L V6 Mustang (42 pages)
- 2005-2010 Ford 4.6L 3v Mustang GT (82 pages)
- Ford Driver's Side Renegade System (14 pages)
- 2000-2003 Ford Focus Zetec/SVT (36 pages)
- 1999 & 2001 Ford 4.6L Mustang Cobra (42 pages)
- 1999 & 2001 Ford 4.6L Mustang Cobra (20 pages)
- 1996-1998 Ford 4.6L Mustang Cobra (32 pages)
- 1996-1998 Ford 4.6L Mustang Cobra (14 pages)
- 1996-2004 Ford 4.6 Mustang GT (39 pages)
- 1994-1995 Ford 5.0 Mustang (24 pages)
- 1994-2000 Ford 3.8 Mustang (28 pages)
- 1986-1993 Ford 5.0 Mustang (30 pages)
- Ford SVT Contour/Mercury 2.5L V6 Cougar (30 pages)
- 2004-2006 Ford 5.4L 3V F-150 (22 pages)
- 1999-2001 Ford 5.4L/6.8L Super Duty/SUV (38 pages)
- 1997-2001 Ford/Lincoln 4.6L/5.4L Truck/SUV (28 pages)
- 1991-1994 Ford 4.0L Ranger/Explorer (18 pages)
- 1987-1996 Ford 5.0L/5.8L Truck/SUV (24 pages)
- 1987-1997 Ford 7.5L Truck/SUV (18 pages)
- GM 5.3L/6.2L Light Truck/SUV - 2007-2008 (40 pages)
- H3 I-5 Hummer - 2006-2008 (32 pages)
- Alpha H3 Hummer - 2008 (30 pages)
- GM 6.0L 2001-2002, 2004, 2006 Denali (58 pages)
- 1999-2006 4.8L/5.3L/6.0L Light Truck/SUV (32 pages)
- 1996-2000 5.7L Vortec Truck/SUV (20 pages)
- 1988-1993 7.4L TBI Truck/SUV (24 pages)
- 1996-2000 4.3L Truck/SUV (20 pages)
- 1990-1995 5.7L TBI Truck/SUV (20 pages)
- Universal GM LSX Tuner Kits (42 pages)
- 1964-1967 Pontiac GTO Carbureted (27 pages)
- 2005-2008 C6 Corvette (27 pages)
- Universal Big Block Carbureted System (24 pages)
- Universal Small Block Chevy Carbureted (26 pages)
- 2004 Pontiac GTO (32 pages)
- 1997-2004 C5 Corvette (40 pages)
- 1999-2001 5.7L LS1 F-Body (32 pages)
- 1988-1992 5.0L/5.7L TPI F-Body (22 pages)
