Despatch RAD Series User Manual
Page 41

RAD Oven Series
Owner’s Manual
A
PPENDICES
Version 1
41
Copyright © 2012 by Despatch Industries.
All rights reserved. No part of the contents of this manual may be reproduced, copied or transmitted in any form or by any means including graphic, electronic, or mechanical methods
or photocopying, recording, or information storage and retrieval systems without the written permission of Despatch Industries, unless for purchaser's personal use.
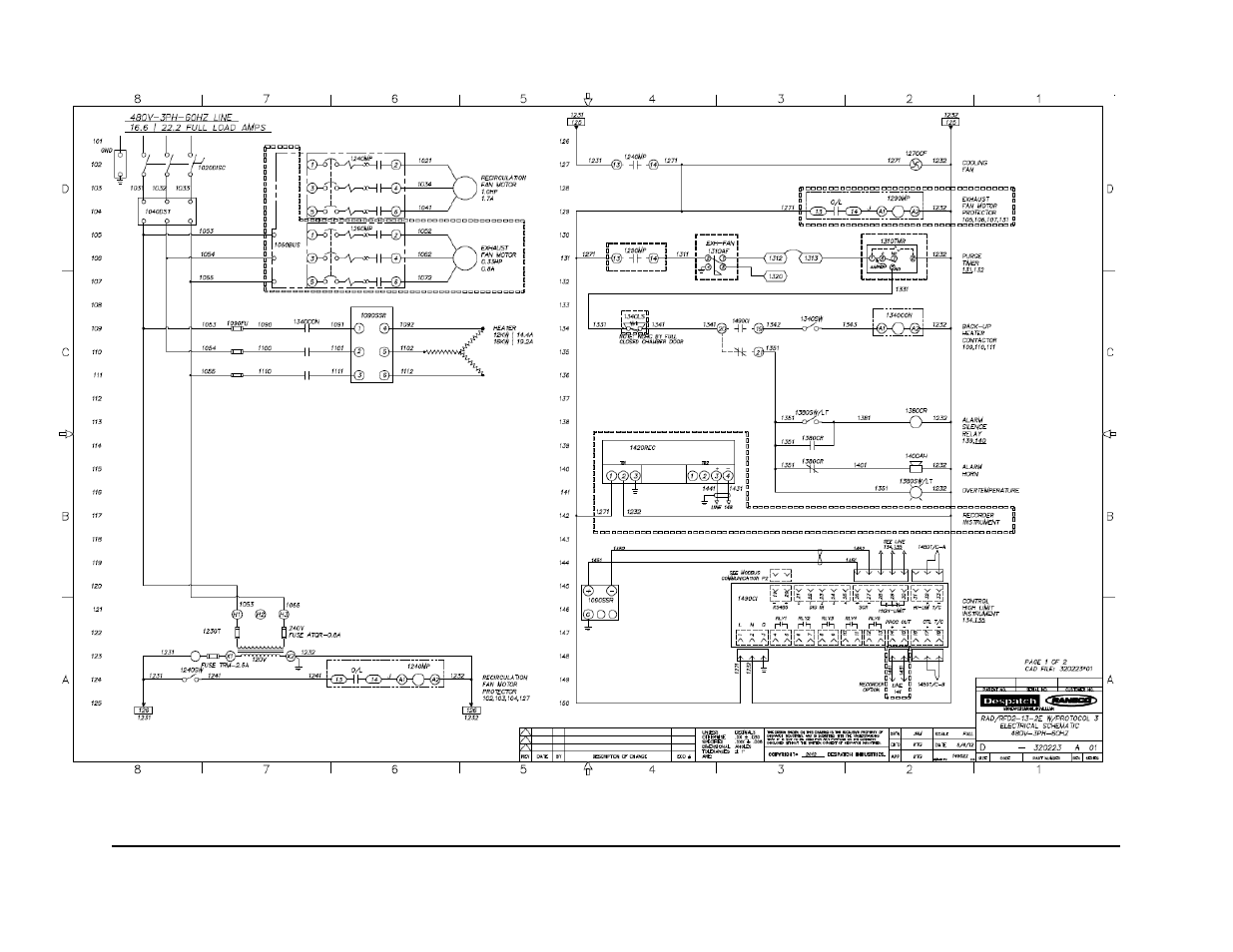
Figure 15. RAD2-13-2E, 480V (Drawing 320223-01).
