Directory
Brands
Hornady manuals
Equipment
Lock-N-Load AP
Manual

Appendix b - template lock-n-load – Hornady Lock-N-Load AP User Manual

Page 31

  • Text mode
  • Original mode
background image

(optional accessory)

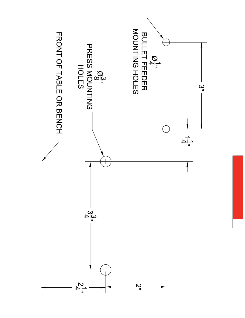
APPENDIX B -

TEMPLATE Lock-N-Load

®

AP

™

APPENDIX B

Pages: 1 … 27 28 29 30 31 32
  • wrong Brand
  • wrong Model
  • non readable
See also other documents in the category Hornady Equipment:
  • Lock-N-Load Power Case Prep Center (5 pages)
  • 50 Cal. BMG (12 pages)
  • 366 AP Loader (23 pages)
  • Lock-N-Load Ammo Plant (56 pages)
  • Lock-N-Load Classic Press (12 pages)
  • Hot Tub Sonic Cleaner (7 pages)
  • Magnum Sonic Cleaner (2 pages)
  • Sonic Cleaner 110V (2 pages)
  • Sonic Cleaner 2L 110V (6 pages)
  • Sonic Cleaner 2L 220V (6 pages)
  • RAPid Safe (12 pages)
  • TriPoint Lock Box (6 pages)
  • 0-7 Metallic Reloading Press (4 pages)
  • AP with Case Feeder (30 pages)
  • 155 Shotshell Reloader (7 pages)
Home Brands Popular manuals Recently added
Manuals Directory

© 2012–2025, azmanual.top
All rights reserved.