32vdc, Load, Outputs – SANDPIPER ELECTRONIC LEAK DETECTOR 032-044-000, 032-045-000 User Manual
Page 5: 5a 250v, Pictogram for fuse fu1 power protection, C6 c5, C7 1, Cr1 cr2

eldvdcsm-rev0513
Electronic Leak Detector-VDC Page 5
UP
DOWN
UP
DOWN
ALMLO
ALMHI
ALMLO
ALMHI
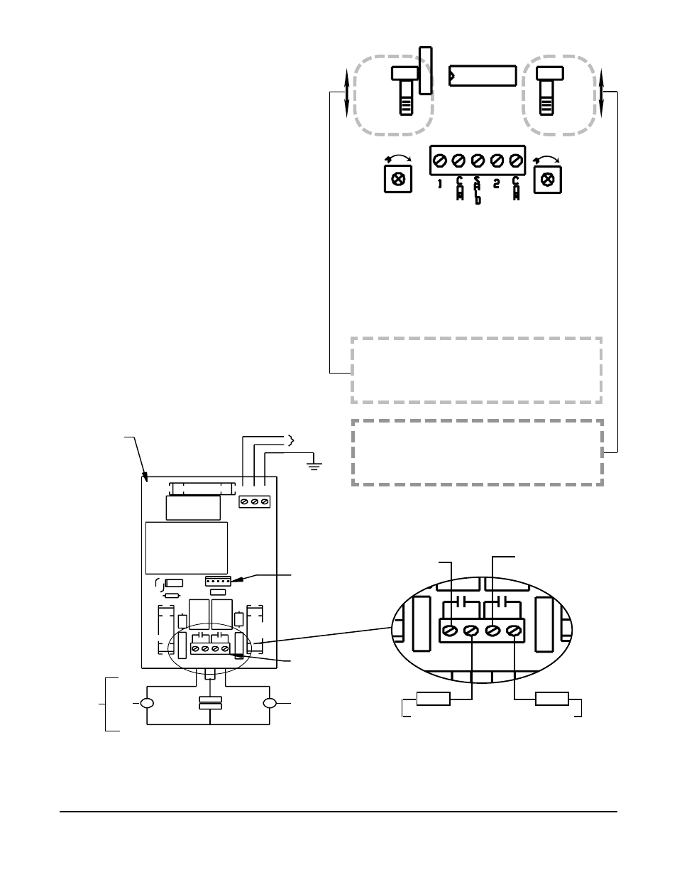
SW1
TS1
R5
INC-
SENS
CW
INC-
SENS
CW
R6
SW2
CH1
CH2
C3
Conductivity:
The leak detector probes work under the principle
of conductance. Not all pumped liquid is conductive,
such as when using this device with a Containment
Duty (spill containment) type SANDPIPER
®
pump.
Ideally, if the pumped product is conductive, then the
driver fluid should be non-conductive. The driver fluid
must be compatible with the driver diaphragm and be
compatible with the pumped product. If the pumping
diaphragm fails, the pumped product will conduct
(complete the circuit) and signal the box and the
warning light will come on. If the reverse is required,
such as pumping non-conductive fluid, the driver fluid
should be conductive. If this is the case, move the
two switches located in the cover marked SW1 and
SW2, to the opposite locations. (See the close-up
Figure D).
Sensitivity of this detector can be adjusted by the
adjusting knobs R5 and R5. (See Figure D.) These
adjusting knobs work independently for each side
(chamber). They can be moved with a small screw-
driver. These sensitivity knobs are also important in
setting to detect conductance fluid at the sensitivity
most required. The sensitivity range of the detector
is adjustable from 500 OHM (2,000 Micro MHO) to
100,000 OHM (10 Micro MHO).
When sensing low conductivity, turning the screws
clockwise increases probe sensitivity.
FIGURE D
(See ENCLOSURE LID, Figure C)
Page 4
FIGURE E
WARREN RUPP, IDEX AODD, Inc. A Unit of IDEX Corp., P.O. Box 1568 Mansfield, OH 44901-1568 USA (419) 524-8388 Fax (419) 522-7867
Copyright ©2009 Warren Rupp. All rights reserved.
Warren Rupp
®
and SANDPIPER
®
are tradenames of IDEX AODD, Inc.
Conductive/Non-Conductive Switch Information
Note: Pumps containing driver fluid should be filled
with conductive or non-conductive fluid, depending on
the fluid pumped. The driver fluid should be opposite
of the pumped product in order to determine diaphragm
failure and light warning LED signal(s). This is adjusted
inside the box in the following manner:
SW1 DOWN (LED 1) = LED on w/presence of con-
ductive fluid and off w/absence of conductive fluid.
SW1 UP (LED 1) =LED on w/absence of conductive
fluid and off w/absence of conductive fluid.
— OR —
SW2 DOWN (LED 2) = LED on w/absence of con-
ductive fluid and off w/presence of conductive fluid.
SW2 UP (LED 2) = LED on w/presence of conductive
fluid and off w/absence of conductive fluid.
LOAD
LOAD
PICTOGRAM
FOR FUSE FU1
POWER PROTECTION
12-32VDC
DRY CONTACT
ALARM OUTPUTS
TO PROBE
PICKUP
BOARD
AC OR DC
220V/5A
MAX
OUTPUTS
C6
C5
1
2
TS2
C7
1
TS1
+ - G
FU1
.5A
250V
P1
CR1
CR2
FU2
1A
250V
FU3
1A
250V
POWER
RTN
OPTIONAL
EXTERNAL
OUTPUT
JUNCTION FOR
SOLENOID
VALVES OR
SIGNALS
OUTPUTS
C6
C5
1
2
TS2
When sensing low conductivity, turning the
screws clockwise increases probe sensitivity.
100-120VAC
(HOT)
100-120VAC
(HOT)
AC Neutral
Load will be energized
when LED 1 is illmunated
This load is fused by FU2
AC Neutral
Load will be energized
when LED 2 is illmunated
This load is fused by FU3
LOAD
LOAD
PICTOGRAM
FOR FUSE FU1
POWER PROTECTION
12-32VDC
DRY CONTACT
ALARM OUTPUTS
TO PROBE
PICKUP
BOARD
AC OR DC
220V/5A
MAX
OUTPUTS
C6
C5
1
2
TS2
C7
1
TS1
+ - G
FU1
.5A
250V
P1
CR1
CR2
FU2
1A
250V
FU3
1A
250V
POWER
RTN
OPTIONAL
EXTERNAL
OUTPUT
JUNCTION FOR
SOLENOID
VALVES OR
SIGNALS
OUTPUTS
C6
C5
1
2
TS2
LOAD
LOAD