Data sheet, Typical application, Table 1. component guide – Diodes AUR9713 User Manual
Page 12

Data Sheet
1.5MHz, 1A, STEP DOWN DC-DC CONVERTER AUR9713
Mar. 2012 Rev. 1. 1 BCD Semiconductor Manufacturing Limited
12
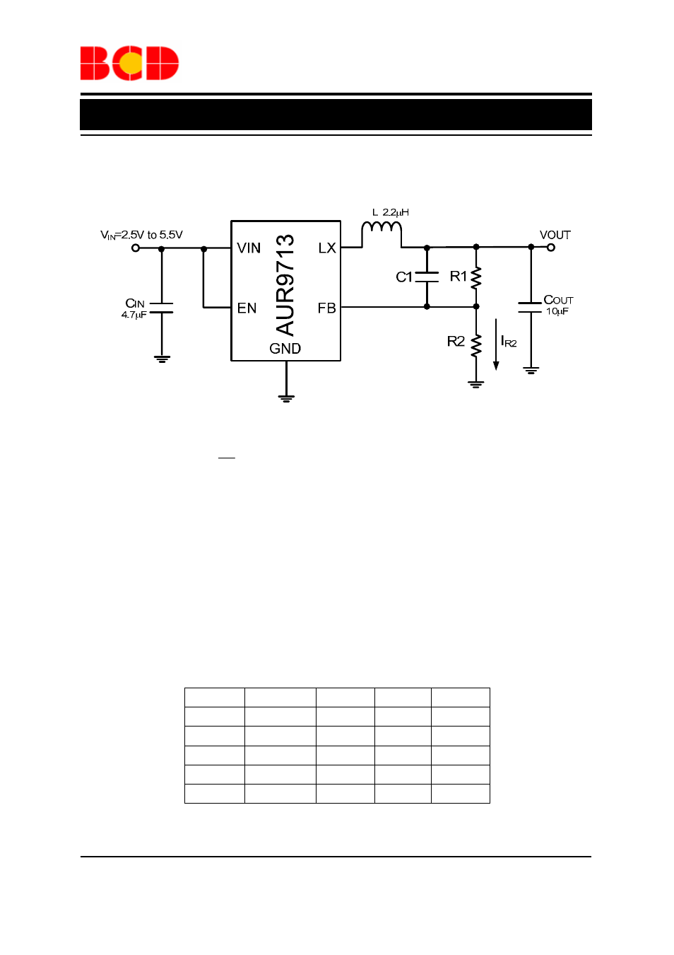
Typical Application
Note 3:
)
1
(
2
1
R
R
V
V
REF
OUT
+
×
=
;
When R2=300k
Ω to 60 kΩ, the I
R2
=2
µA to 10µA
,
and R1×C1 should be in the range between 3×10
-6
and 6×10
-6
for
component selection.
Figure 18. Typical Application Circuit of AUR9713
Table 1. Component Guide
V
OUT
(V)
R1 (k
Ω)
R2 (k
Ω)
C1 (pF)
L1 (
µH)
3.3 450 100 13 2.2
2.5 320 100 18 2.2
1.8 200 100 30 2.2
1.2 100 100 56 2.2
1.0 66 100
91
2.2
See also other documents in the category Diodes Hardware:
- PDS3200 (5 pages)
- PDS340 (5 pages)
- PDS340Q (5 pages)
- PDS360 (5 pages)
- PDS360Q (5 pages)
- PDS4150 (4 pages)
- PDS3100Q (5 pages)
- PDS3100 (5 pages)
- PDS1240CTL (5 pages)
- PDS1045 (5 pages)
- PDS1040L (5 pages)
- PDS1040CTL (5 pages)
- PDS1040 (5 pages)
- PD3S230L (5 pages)
- PD3S230H (3 pages)
- PDS5100Q (5 pages)
- PDS835L (5 pages)
- PDS760 (5 pages)
- PDS560 (5 pages)
- PDS540 (5 pages)
- PDS5100H (5 pages)
- PDS5100 (5 pages)
- PDS4200H (6 pages)
- SBL3060CTP (4 pages)
- SBL30L30CT (3 pages)
- SBL3045CTP (4 pages)
- SBL3040CTP (4 pages)
- SBL2060CTP (4 pages)
- SBL2030CT - SBL2060CT (3 pages)
- SBL2045CTP (4 pages)
- SBL1060CTP (4 pages)
- SBL1040CTP (4 pages)
- SBG3030CT - SBG3045CT (5 pages)
- SB520 - SB560 (3 pages)
- SB370 - SB3100 (3 pages)
- SB320 - SB360 (3 pages)
- SBR10U100CT (5 pages)
- SBR10U150CT (5 pages)
- SBR10A45SP5 (5 pages)
- SBR1060CT (5 pages)
- SBR1045SP5 (5 pages)
- SBR1045SD1 (4 pages)
- SBR1045D1 (5 pages)
- SBR1045CTL (4 pages)
- SBR1040CT (5 pages)
