Rainbow Electronics MAX5097 User Manual
Page 10

MAX5096/MAX5097
40V, 600mA Buck Converters with Low-
Quiescent-Current Linear Regulator Mode
10
______________________________________________________________________________________
+
-
-
+
-
-
+
+
-
- +
gm
V
REF
0.9
Ω
CURRENT
LIMITER
RESET
INTERNAL
4V LDO
BP
IN
ADJ
LX
RESET
GATE
DRIVER
MUX
EN
PGND
LDO/BUCK
L
V
OUT
C
IN
PWM
C
OUT
SYNC
CT
SS
0.12V
FEEDBACK
SELECTOR
BUCK MODE GM
AMPLIFIER
FB
LDO/ BUCK
SELECTOR
PWM
COMPARATOR
DC-DC ENABLE
OSCILLATOR
AND RAMP
GENERATOR
MODE
SELECTOR
SS
OUT
LDO MODE
AMPLIFIER
SS
DC
CURRENT
SENSE
COMP
R
C
C
C
V
OUT
SGND
V
IN
FB
SYNCRO
C
BP
R
2
R
PU
R
1
C
SS
C
CT
BIAS SOFT-
START
INTERNAL
BANDGAP
UVLO
THERMAL
PROTECTION
V
REF
MAX5096
MAX5097
C
P
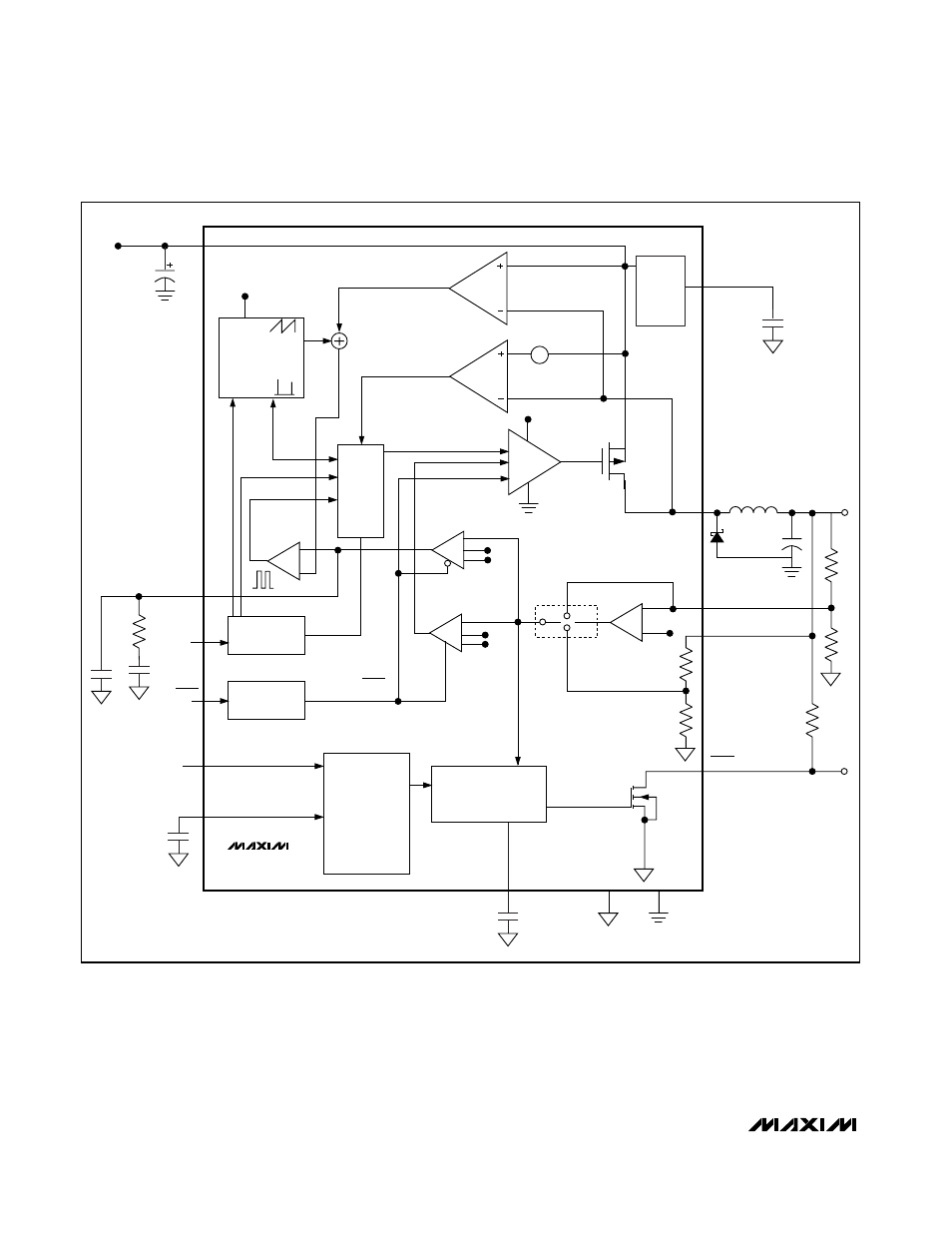
Figure 1. Simplified Diagram
                    See also other documents in the category Rainbow Electronics Sensors:                                                            
                    - MAX5151 (16 pages)
- MAXQ3108 (64 pages)
- MAX5661 (39 pages)
- MAX6691 (7 pages)
- MAX5362 (12 pages)
- ADC10158 (26 pages)
- MAX8922L (14 pages)
- MAX8596Z (8 pages)
- MAX7491 (18 pages)
- MAX15040 (15 pages)
- MAX5177 (16 pages)
- ADC08138 (22 pages)
- MAX5961 (42 pages)
- T89C51RD2 (86 pages)
- MAX16055 (9 pages)
- MAX6659 (17 pages)
- ADC0820 (20 pages)
- MAX6678 (19 pages)
- MAX8884Z (15 pages)
- MAX16915 (9 pages)
- MAX8620 (18 pages)
- MAX5144 (12 pages)
- MAX6670 (8 pages)
- MAX8760 (39 pages)
- W78C32C (14 pages)
- MX7533 (8 pages)
- MAX8727 (13 pages)
- MAX9053 (15 pages)
- W78C54 (16 pages)
- MAX8614B (15 pages)
- W90N740 (219 pages)
- MAX6626 (13 pages)
- ADC10738 (30 pages)
- MAX17000 (31 pages)
- MAX5051 (21 pages)
- MAXQ1004 (18 pages)
- MAX6871 (51 pages)
- MX7847 (12 pages)
- MAX6608 (6 pages)
- MAX17083 (15 pages)
- MAX6641 (17 pages)
- MAX5251 (16 pages)
- MAX6338 (8 pages)
- MAX6690 (16 pages)
- MAX8668 (18 pages)
