Search
Directory
Brands
HP manuals
Vacuums
Concorde 608349
Manual
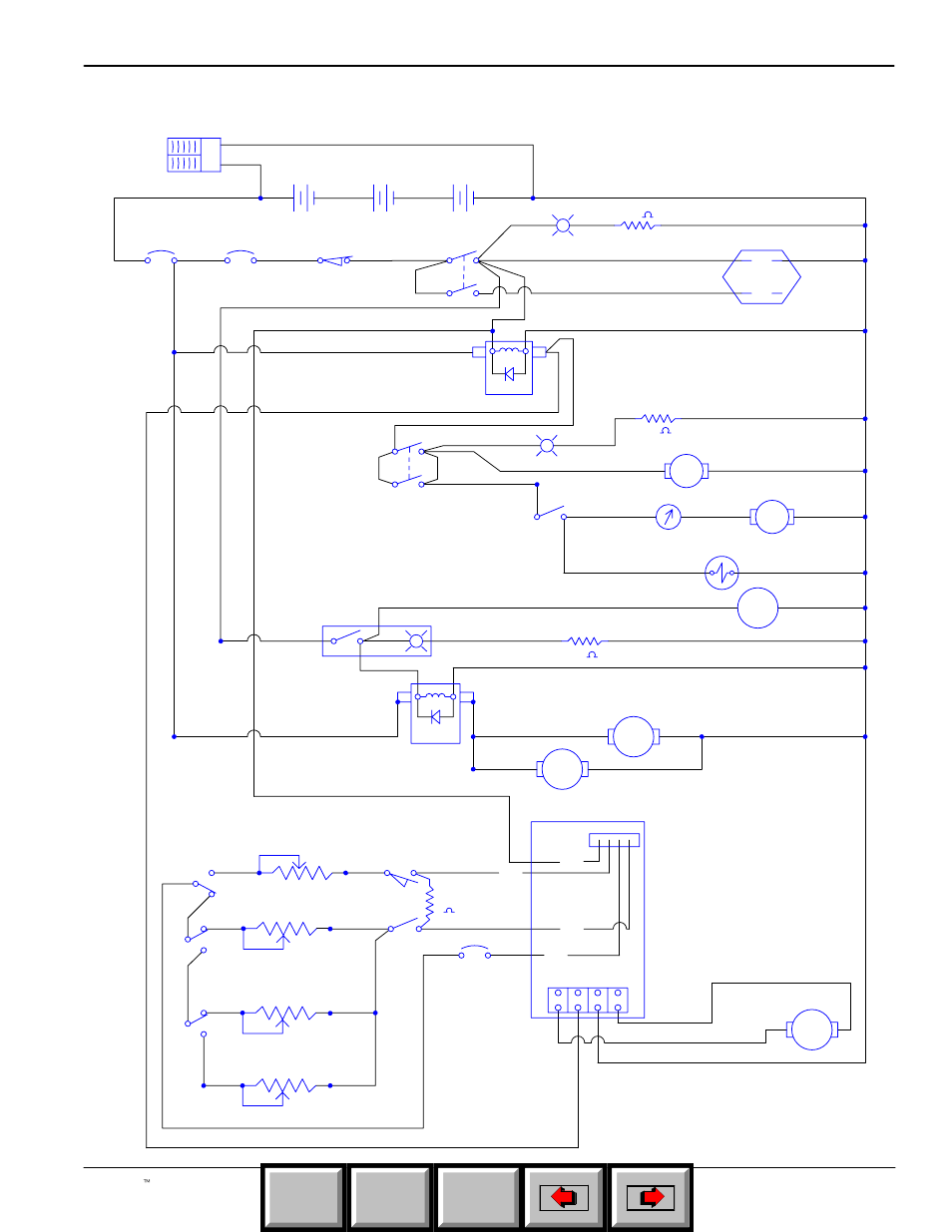
Ladder diagram, Electrical diagrams, Home find... go to – HP Concorde 608349 User Manual
Page 35: 35 ladder diagram
Text mode
Original mode
Ladder diagram, Electrical diagrams, Home find... go to | 35 ladder diagram | HP Concorde 608349 User Manual | Page 35 / 37
Pages:
1
…
32
33
34
35
36
37
wrong Brand
wrong Model
non readable
This manual is related to the following products:
Concorde 608935
Concorde 609256
Concorde HP Plus
See also other documents in the category HP Vacuums:
8360
(508 pages)