Search
Directory
Brands
HP manuals
Vacuums
Concorde 608349
Manual
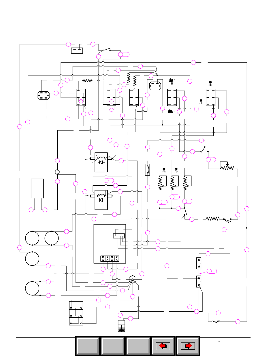
Electrical diagrams, Wire diagram, Home find... go to – HP Concorde 608349 User Manual
Page 34: 34 wire diagram, Concorde t hp plus (01–00)
Text mode
Original mode
Electrical diagrams, Wire diagram, Home find... go to | 34 wire diagram, Concorde t hp plus (01–00) | HP Concorde 608349 User Manual | Page 34 / 37
Pages:
1
…
32
33
34
35
36
37
wrong Brand
wrong Model
non readable
This manual is related to the following products:
Concorde 608935
Concorde 609256
Concorde HP Plus
See also other documents in the category HP Vacuums:
8360
(508 pages)