Connections – JVC TH-C30 User Manual
Page 12
Attention! The text in this document has been recognized automatically. To view the original document, you can use the "Original mode".

Connections
Do not connect the power cord until all other connections have been made.
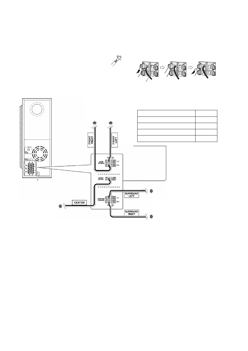
Connecting the satellite (front, center and surround) speakers to the
subwoofer
Note that the illustration below is for SP-PWCSO.
Before connecting the speaker cords;
Twist and pull the insulation coat off and remove.
Powered subwoofer
TH-C30:SP-PWC30
TH-C20: SP-PWC20
Front speakers
TH-C30: SP-THC40F
TH-C20: SP-THC20F
© ®
© @
© ©
Speaker cord
Connect the black cords to the black (©) terminals.
Connect the white cords to the (®) terminals
referring to the table below:
FRONT SPEAKERS (LEFT)
White
FRONT SPEAKERS (RIGHT)
Red
CENTER SPEAKER
Green
SURROUND SPEAKERS (LEFT)
Blue
SURROUND SPEAKERS (RIGHT)
Gray
Center speaker
TH-C30: SP-THC40C
TH-C20: SP-THC20C
CAUTION
If you connect speakers other than the supplied ones, use speakers of
the same speaker impedance (SPEAKER IMPEDANCE) indicated
near the speaker terminals on the rear of the powered subwoofer.
DO NOT connect more than one speaker to one speaker terminal.
When installing the satellite speakers on the wall;
- Be sure to have them installed on the wall by qualified personnel.
DO NOT install the satellite speakers on the wall by yourself to
avoid unexpected damage from falling off the wall due to incorrect
installation or weakness in wall structure.
- Care must be taken in selecting a location for speaker installation
on a wall. Injury to personnel or damage to equipment may result
if the speakers installed interfere with daily activities.
Surround speakers
TH-C30: SP-THC40S
TH-C20: SP-THC20S
Precautions for daily use
• When moving the speakers, do not pull the speaker cords;
otherwise, the speakers may fall over, causing damage or injury.
• Do not reproduce sounds at so high a volume that the sound is
distorted; otherwise, the speakers may be damaged by internal
heat buildup.
