Directory
Brands
Culligan manuals
Water equipment
Soft-Minder 2005
Manual

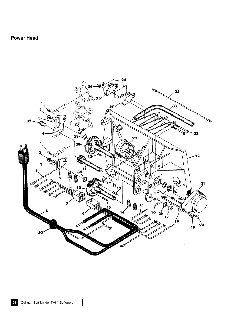
Power head – Culligan Soft-Minder 2005 User Manual

Page 24

  • Text mode
  • Original mode
Power head | Culligan Soft-Minder 2005 User Manual | Page 24 / 33 Power head | Culligan Soft-Minder 2005 User Manual | Page 24 / 33
Pages: 1 … 22 23 24 25 26 … 33
  • wrong Brand
  • wrong Model
  • non readable
See also other documents in the category Culligan Water equipment:
  • US-550 (8 pages)
  • Medallist Series (21 pages)
  • Water Filter (28 pages)
  • 7850W (48 pages)
  • Gold Series (59 pages)
  • Model 450 (15 pages)
  • 2M (15 pages)
  • HD-242 (19 pages)
  • Gold SeriesTM (27 pages)
  • Silver SeriesTM (28 pages)
  • Automatic Water Conditioner (27 pages)
  • CT-2 (8 pages)
  • HF150 (6 pages)
  • Iron-Cleer Plus (25 pages)
  • Preferred Series (2 pages)
  • Platinum Plus Series (60 pages)
  • GoodWater Machine DrinkingWater System (21 pages)
  • Automatic Water Softeners (9 pages)
  • Sulfur-Cleer (27 pages)
  • Water Tower (21 pages)
  • Aqua-Cleer Advanced Drinking Water Systems (59 pages)
  • Iron-Cleer (23 pages)
  • Aqua-Cleer (21 pages)
  • US-640 (12 pages)
  • Drinking Water System (23 pages)
  • H-30 (16 pages)
  • IC-100 (2 pages)
Home Brands Popular manuals Recently added
Manuals Directory

© 2012–2025, azmanual.top
All rights reserved.