Directory
Brands
WarmlyYours manuals
For Home
Lava
Manual

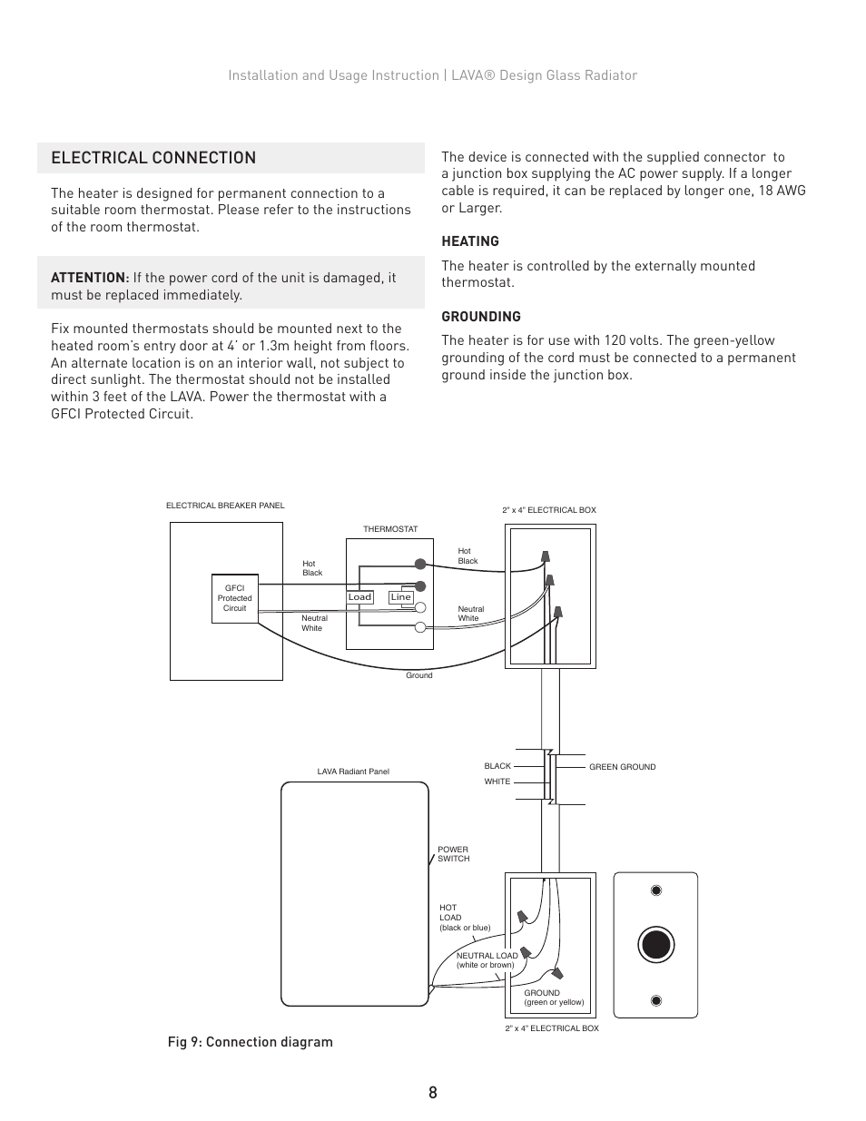
Electrical connection, Fig 9: connection diagram – WarmlyYours Lava User Manual

Page 9

  • Text mode
  • Original mode
Electrical connection, Fig 9: connection diagram | WarmlyYours Lava User Manual | Page 9 / 13 Electrical connection, Fig 9: connection diagram | WarmlyYours Lava User Manual | Page 9 / 13
Pages: 1 … 7 8 9 10 11 … 13
  • wrong Brand
  • wrong Model
  • non readable
See also other documents in the category WarmlyYours For Home:
  • TempZone Custom Mat (11 pages)
  • TempZone Cut & Turn Roll (2 pages)
  • TempZone Twin Circuit Check (2 pages)
  • TempZone Shower Mat (Bench & Floor) (2 pages)
  • TempZone FLEX (Twin) Conductor 120V or 240V (19 pages)
  • TempZone Nailed-Down Hardwood (1 page)
  • TempZone Twin Important (2 pages)
  • Floor Heating Under Concrete Slabs (2 pages)
  • Snow Melting & Slab Heating Application Cross Sections (1 page)
  • Snow Melting & Slab Heating (24 pages)
  • Environ Flex Roll System For laminate/floating wood & engineered wood floor coverings (14 pages)
  • Environ II Floor Heating System (16 pages)
  • Cerazorb (2 pages)
  • Cork (2 pages)
  • Lava LED (4 pages)
  • Lava Side Cover (2 pages)
  • Infinity (13 pages)
  • Sierra (3 pages)
  • Barcelona Towel Warmer (2 pages)
  • Elements WarmlyYours Towel Warmers (15 pages)
  • FeelsWarm® Countertop Heating (11 pages)
  • Mirror Defogger (12 pages)
Home Brands Popular manuals Recently added
Manuals Directory

© 2012–2025, azmanual.top
All rights reserved.