Search
Directory
Brands
Multiquip manuals
Lighting
LT12P
Manual
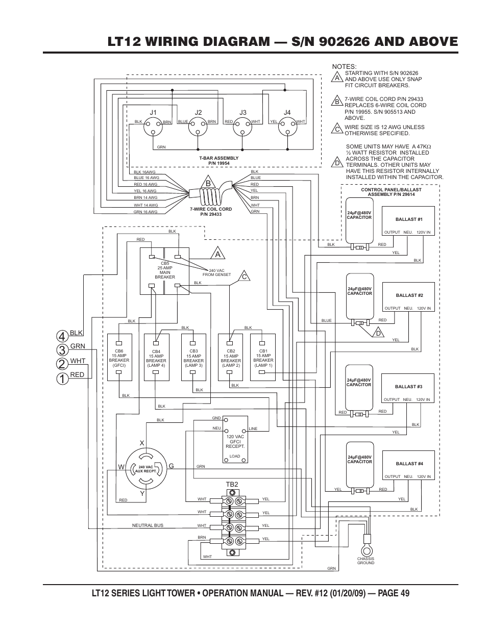
Grn blk, J1 j2 j3 j4, Wht red – Multiquip LT12P User Manual
Page 49
Text mode
Original mode
Grn blk, J1 j2 j3 j4, Wht red | Multiquip LT12P User Manual | Page 49 / 68
Pages:
1
…
47
48
49
50
51
…
68
wrong Brand
wrong Model
non readable
This manual is related to the following products:
LT12D
See also other documents in the category Multiquip Lighting:
LT12D
(58 pages)
LT12D50B
(40 pages)
T12D50SA
(46 pages)
T12D50SA
(62 pages)
LT12DAB
(60 pages)
LT12DAB
(40 pages)
LT6D
(70 pages)
LT6K
(70 pages)