Beispiel für das anschlusssystem 2, Anschließen der geräte – Pioneer DEX-P99RS User Manual
Page 36

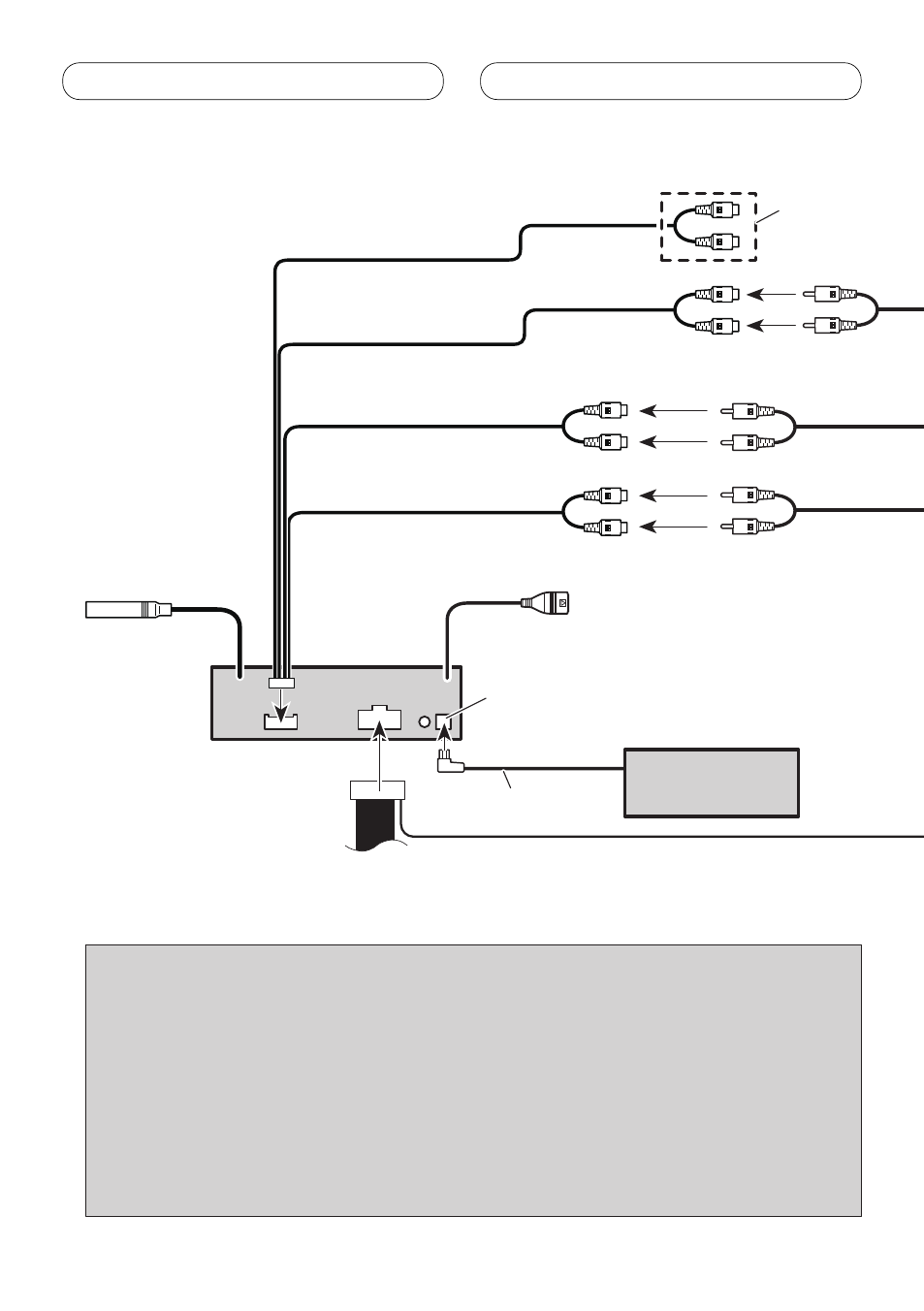
Beispiel für das Anschlusssystem 2
Ausgang für die hohen
Tonfrequenzen
(HIGH RANGE OUTPUT)
15 cm
15 cm
23 cm
23 cm
Ausgang für die mittleren
Tonfrequenzen
(MID RANGE OUTPUT)
Ausgang für die tiefen
Tonfrequenzen
(LOW RANGE OUTPUT)
Subwoofer-Ausgang
(SUBWOOFER OUTPUT)
IP-BUS-Kabel
IP-BUS-Eingang (Blau)
Nicht
verwendet
Blau/Weiß (SYSTEM REMOTE CONTROL)
Für den Anschluss an die Systemsteuerbuchse des
Leistungsverstärkers oder der Antennenrelais-
Steuerbuchse (max 300 mA 12 V Gleichstrom).
Hinweis:
Der automatische Zeitabgleich und Equalizer (Auto TA & EQ) wird verwendet, um eine
Mehrweg-Lautsprecheranlage (etwa mit einem Hochtöner, einem Lautsprecher für den mittleren
Tonbereich, einem Tieftöner und einem Subwoofer) automatisch zu konfigurieren. Um den
automatischen Zeitabgleich und Equalizer (Auto TA & EQ) mit einer Vollbereichs-Lautsprecheranlage
zu verwenden, wie im Beispiel angeführt, gehen Sie bitte wie folgt vor:
1. Führen Sie die Einrichtung jedes Lautsprechers im Ausgangseinstellungsmenü durch.
2. Stellen Sie die Crossover-Werte im Audio-Menü manuell ein, und zwar entsprechend der
angeschlossenen Lautsprecher (Subwoofer und Vollbereichslautsprecher).
3. Starten Sie den automatischen Zeitabgleich und Equalizer (Auto TA & EQ), und wählen Sie
„Custom N/W“ im Menü.
4. Beenden Sie den automatischen Zeitabgleich und Equalizer (Auto TA & EQ).
Multi-CD-Player
(getrennt erhältlich)
Anschließen der Geräte
8