Directory
Brands
Condec manuals
Equipment
UPS3210
Manual

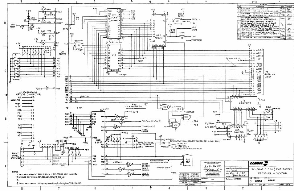
Condec UPS3210 User Manual

Page 83

  • Text mode
  • Original mode
Condec UPS3210 User Manual | Page 83 / 94 Condec UPS3210 User Manual | Page 83 / 94
Pages: 1 … 81 82 83 84 85 … 94
  • wrong Brand
  • wrong Model
  • non readable
This manual is related to the following products:
  • UPS3110 UPS3000
See also other documents in the category Condec Equipment:
  • 3030 (46 pages)
  • UPC5000 (55 pages)
  • UPC5100 (55 pages)
  • UPC5200 (53 pages)
  • DPDG (19 pages)
  • DLR3110 (74 pages)
  • DLR334 (17 pages)
  • DLR334 Series (13 pages)
  • MPV-10K (4 pages)
  • Orion-2D (26 pages)
  • PIN7000 (33 pages)
  • PIN8000 (41 pages)
  • Source 3000 (22 pages)
  • Orion-2C (4 pages)
  • Orion-3A (4 pages)
  • Orion-2D (4 pages)
  • UVC1000 (13 pages)
Home Brands Popular manuals Recently added
Manuals Directory

© 2012–2025, azmanual.top
All rights reserved.