As431, Package outline dimensions, Sot-89 – Diodes AS431 User Manual
Page 15

AS431
Document number: DS36599 Rev.
3 - 2
15 of 19
October 2013
© Diodes Incorporated
AS431
A Product Line of
Diodes Incorporated
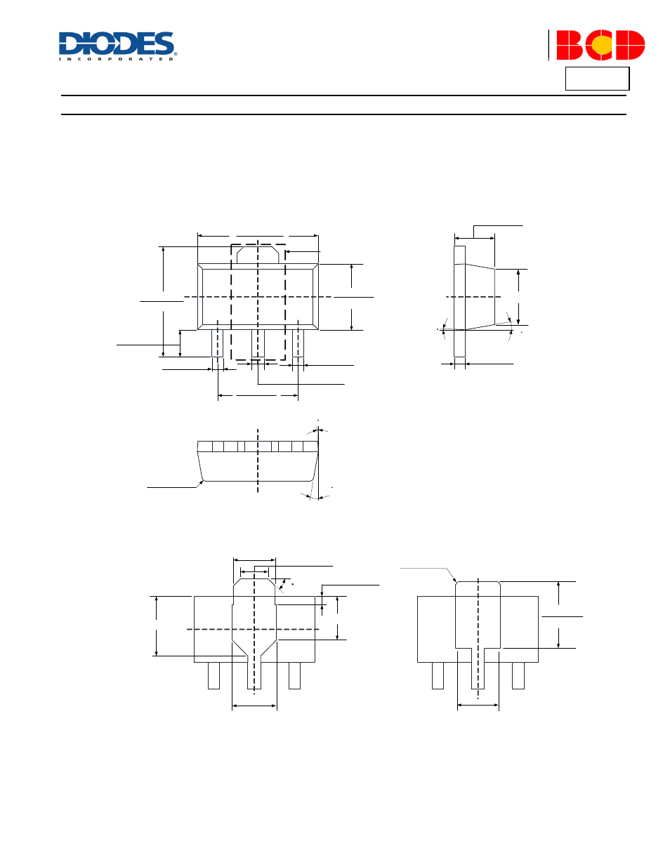
Package Outline Dimensions
(Cont. All dimensions in mm(inch).)
SOT-89
45
1.550(0.061)REF
4.400(0.173)
4.600(0.181)
0.900(0.035)
1.200(0.047)
3.950(0.156)
4.250(0.167)
3.000(0.118)
TYP
0.480(0.019)
2.300(0.091)
2.600(0.102)
0.320(0.013)
0.540(0.021)
3
10
2.060(0.081)REF
1.400(0.055)
1.600(0.063)
0.350(0.014)
0.450(0.018)
R0.150(0.006)
3
10
1.500(0.059)
0.320(0.013)REF
1.620(0.064)REF
2.210(0.087)REF
0.320(0.013)
0.540(0.021)
1.800(0.071)
Option 1
Option 2
0.620(0.024)
1.030(0.041)REF
R 0.200(0.008)
1.620(0.064)
1.830(0.072)
2.630(0.104)
2.930(0.115)
Option 1
See also other documents in the category Diodes Hardware:
- PDS3200 (5 pages)
- PDS340 (5 pages)
- PDS340Q (5 pages)
- PDS360 (5 pages)
- PDS360Q (5 pages)
- PDS4150 (4 pages)
- PDS3100Q (5 pages)
- PDS3100 (5 pages)
- PDS1240CTL (5 pages)
- PDS1045 (5 pages)
- PDS1040L (5 pages)
- PDS1040CTL (5 pages)
- PDS1040 (5 pages)
- PD3S230L (5 pages)
- PD3S230H (3 pages)
- PDS5100Q (5 pages)
- PDS835L (5 pages)
- PDS760 (5 pages)
- PDS560 (5 pages)
- PDS540 (5 pages)
- PDS5100H (5 pages)
- PDS5100 (5 pages)
- PDS4200H (6 pages)
- SBL3060CTP (4 pages)
- SBL30L30CT (3 pages)
- SBL3045CTP (4 pages)
- SBL3040CTP (4 pages)
- SBL2060CTP (4 pages)
- SBL2030CT - SBL2060CT (3 pages)
- SBL2045CTP (4 pages)
- SBL1060CTP (4 pages)
- SBL1040CTP (4 pages)
- SBG3030CT - SBG3045CT (5 pages)
- SB520 - SB560 (3 pages)
- SB370 - SB3100 (3 pages)
- SB320 - SB360 (3 pages)
- SBR10U100CT (5 pages)
- SBR10U150CT (5 pages)
- SBR10A45SP5 (5 pages)
- SBR1060CT (5 pages)
- SBR1045SP5 (5 pages)
- SBR1045SD1 (4 pages)
- SBR1045D1 (5 pages)
- SBR1045CTL (4 pages)
- SBR1040CT (5 pages)
